IC CD4050 je široce používaný hex pufrový čip s šesti neinvertujícími vyrovnávacími pamětí.Je ideální pro aplikace, jako je regenerace signálu a konverze úrovně napětí.Tento článek se zabývá jeho funkcemi, pracovními principy, konfigurací PIN a aplikace jednoduchým způsobem, přátelským způsobem.

The CD4050 IC je hexový pufrový čip se šesti neinvertujícími pufry, které procházejí signály nezměněné, ideální pro přeměnu úrovně napětí a regeneraci signálu.Může řídit až dvě zařízení TTL nebo DTL najednou a nabídnout spolehlivý výkon s nízkou spotřebou energie.Schopnost s vysokým umyvadlem zajišťuje, že efektivně zpracovává vícenásobná zatížení, což z něj činí všestrannou volbu pro digitální obvody.
Tato část poskytuje klíčové zvýraznění a specifikace CD4050 IC, včetně metrik jeho provozního napětí, spotřeby proudu a výkonu.
| Parametr | Specifikace |
| Provozní napětí | 3V - 15V DC |
| Aktuální spotřeba (max) | 50 mA |
| Stopa proudu u dřezu | Vysoký proud dřezu pro řízení 2 TTL zatížení |
| Maximální výstupní napětí nízké úrovně | 0,5 V při 5 V VCC |
| Minimální výstupní napětí na vysoké úrovni | 4,95 V při 5V VCC |

| Číslo kolíku | Typ kolíku | Popis/směr |
| 1 | VCC | Pozitivní vstupní dodávka |
| 2 | G | Neinvertovaný výstup 1 |
| 3 | A | Vstup 1 |
| 4 | H | Neinvertovaný výstup 2 |
| 5 | B | Vstup 2 |
| 6 | I | Neinvertovaný výstup 3 |
| 7 | C | Vstup 3 |
| 8 | Vss | Negativní nabídka |
| 9 | D | Vstup 4 |
| 10 | J | Neinvertovaný výstup 4 |
| 11 | E | Vstup 5 |
| 12 | K | Neinvertovaný výstup 5 |
| 13 | NC | Žádné spojení |
| 14 | F | Vstup 6 |
| 15 | L | Neinvertovaný výstup 6 |
| 16 | NC | Žádné spojení |
IC CD4050 je navržen s neinvertujícími vyrovnávacími pamětí, které udržují vstupní signál tak, jak je, aniž by změnil svůj logický stav.Na rozdíl od střídače, který převrátí signál, neinvertující vyrovnávací paměť zajišťuje výstup odpovídající vstupu.Jeho primárním účelem je posílit signál a dodávat na výstupu jasné vysoké nebo nízké.

Každá vyrovnávací paměť v rámci IC má jediný vstup a jeden výstup.Výstup je vždy roven vstupu, takže je vhodný pro aplikace, kde je třeba zachovat integritu signálu.Tyto vyrovnávací paměti mohou také zavést mírné zpoždění šíření, které může být užitečné při specifických konstrukcích obvodu.
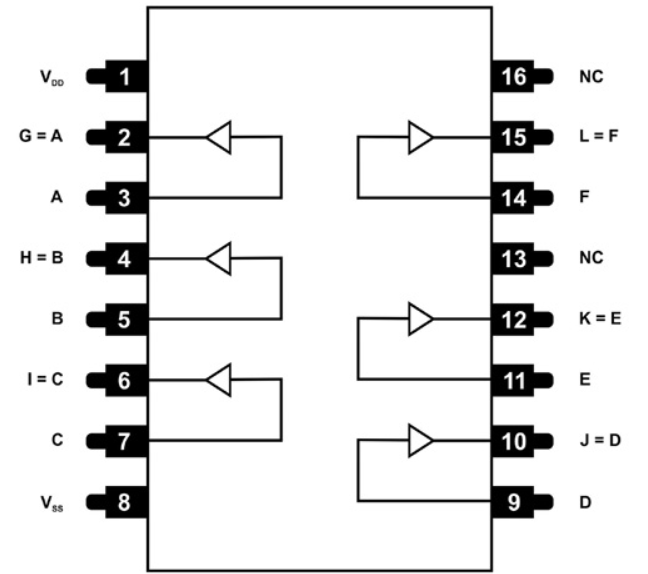
Vnitřní struktura IC CD4050 obsahuje šest neinvertujících vyrovnávacích pamětí, z nichž každá je spojena se specifickými vstupními a výstupními kolíky.Níže uvedený obrázek ukazuje, jak jsou tyto vyrovnávací paměti uspořádány v rámci IC a ukazují jejich spojení s odpovídajícími kolíky.Například, když je signál aplikován na vstup A (PIN 3), výstup bude identický na g (pin 2).Podobně vstup B odpovídá výstupu H, vstup C k výstupu I atd.

Toto konzistentní chování zajišťuje, že IC spolehlivě odráží vstupní signály na jeho výstupy bez jakýchkoli změn v jejich logickém stavu.
Níže uvedená tabulka zdůrazňuje tabulku pravdy pro IC a potvrzuje, že výstup vždy odpovídá vstupu.Ať už je vstup vysoký nebo nízký, výstup odráží stejný stav a zajišťuje bezproblémovou integritu signálu.
| Vstupní signál (A, B, C, D, E, F) | Výstupní signál (G, H, I, J, K, L) |
| VYSOKÝ | VYSOKÝ |
| NÍZKÝ | NÍZKÝ |
• SOIC
• PDIP
• CDIP
IC CD4050 se používá k bezpečnému přizpůsobení signálů z vyšších na nižší úrovně napětí, což umožňuje kompatibilitu mezi obvody pracujícími při různých napětích.
Tento IC slouží jako hexový převodník, který umožňuje hladké propojení mezi logickými rodinami DTL a TTL a snadno manipuluje s více signály.
CD4050 může působit jako proudový dřez nebo zdroj a zajistit stabilní proudový tok, který účinně zvyšuje více zatížení v systémech CMOS.
2D model neinvertujícího IC, uvedeného níže, obsahuje jeho rozměry v milimetrech i palcích.Tato informace je užitečná pro vytváření vlastních stop a je ideální pro použití v návrhu PCB a modelování CAD.

Zašlete prosím dotaz, budeme odpovědět okamžitě.
na 2024/12/20
na 2024/12/20
na 8000/04/18 147757
na 2000/04/18 111934
na 1600/04/18 111349
na 0400/04/18 83719
na 1970/01/1 79508
na 1970/01/1 66895
na 1970/01/1 63010
na 1970/01/1 62999
na 1970/01/1 54081
na 1970/01/1 52115