
HT12E RF kodér IC je skvělou součástí v oblasti bezdrátových komunikačních systémů RF a IR.Jeho primární funkcí je kódovat signály do 12bitové struktury, což umožňuje bezpečný a spolehlivý přenos dat.Tento proces kódování zajišťuje, že přenášená data jsou uspořádána ve formátu, který je přijímací jednotky rozpoznatelný a zpracovatelný.HT12E bez problémů pracuje se svým protějškem, dekodérem HT12D IC a vytváří efektivní komunikační propojení mezi přenosovými a přijímacími zařízeními.Jednou z klíčových výhod HT12E je jeho schopnost převádět paralelní datové vstupy na sériové výstupy, což je funkce, která zvyšuje integritu a zabezpečení dat.Díky tomu je hodnotný v aplikacích, jako jsou dálkové ovládání a poplachové systémy, kde je pro správnou funkčnost vyžadováno konzistentní a spolehlivé přenosy signálu.

|
Číslo kolíku |
Název pin |
Popis |
|
1 až 8 |
A0, A1, A2, A3, A4, A5, A6, A7 |
Jedná se o 8bitové bity adresy používané k ochraně dat.
Tyto bity musí být nastaveny ve stejném vzoru na kodéru a dekodérních ics
Spárujte je. |
|
9 |
Země/vss |
Připojeno k zemi obvodu. |
|
10 až 13 |
AD0, AD1, AD2, AD3 |
Tyto čtyři kolíky se používají k odesílání dat.Data kódovala
Zde bude dekódován na HT12D IC sdílení stejných bitů adresy. |
|
14 |
Přenos povolit (TE) |
Tento kolík musí být připojen k zemi (0V), aby se povolil
přenos. |
|
15 a 16 |
Kolíky oscilátoru 1 a 2 |
IC má vestavěný oscilátor.Připojte tyto dva kolíky
přes 1m rezistor pro jeho použití. |
|
17 |
Výstup |
Z toho lze získat kódované 12bitové výstupní údaje
kolík. |
|
18 |
VCC/VDD |
Tento pin pohání IC, obvykle se používá +5V.Může rozsah
od 2,4 V do 12V. |
|
Funkce |
Popis |
|
12bitový kodér IC |
Pro kódování dat navržena pro použití s HT12D. |
|
Kódovaná data |
Zahrnuje 4 datové bity a 8 bitů adres, které tvoří celkem
12 bitů (8+4 = 12 bitů). |
|
Bezdrátový přenos |
Běžně se používá pro převodovku RF a IR
Aplikace. |
|
Rozsah napájecího napětí |
Pracuje s širokým rozsahem napájecího napětí od 2,4 V do
12V, obvykle se používá 5V. |
|
Nízký pohotovostní proud |
Spotřebuje pohotovostní proud pouze 0,1 uA při VCC = 5V,
zajištění energetické účinnosti. |
|
Možnosti balíčku |
K dispozici v 16pinových ponořeních a 20pinových balíčcích SOP pro
Flexibilní integrace do obvodů. |
• • PT2262
• • 74C922
HT12E IC se široce používá v zabezpečených a spolehlivých systémech přenosu dat, zejména v bezdrátových komunikačních a dálkových aplikacích RF a IR.Páruje se s dekodérem HT12D a vytvoří zabezpečený rámec pomocí konfigurace založené na adrese, aby se zabránilo neoprávněnému přístupu.Mezi běžná použití patří garážová vrata, automatizace domácnosti a osvětlovací systémy, kde jeho jednoduchá metoda kódování zajišťuje snadné použití a spolehlivost.Navzdory podpoře pouze čtyřbitového přenosu dat je ideální pro kontrolní systémy krátkého dosahu, které upřednostňují zabezpečení a výkon.Mnoho často přizpůsobuje nastavení adres tak, aby vyhovovala konkrétním potřebám projektu, což činí HT12E všestrannou volbou pro aplikace vyžadující mírnou složitost a robustní integritu dat.
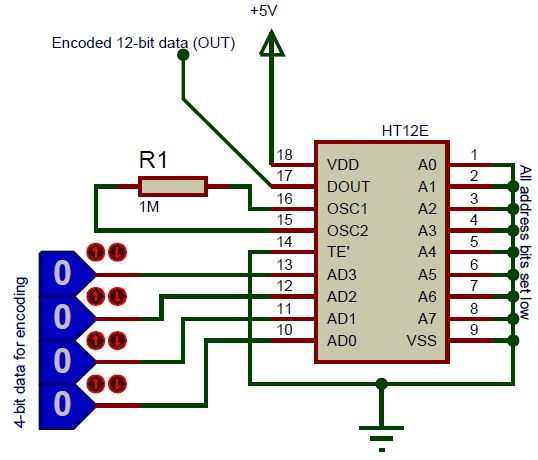
Encoder IC HT12E je důležitou součástí přenosu dat v systémech dálkového ovládání.Chcete -li jej ovládat, připojte IC se stabilním zdrojem energie 5V a uložte přenos, který umožňuje PIN aktivovat jeho režim přenosu dat.Vnitřní oscilátor vyžaduje 1m rezistor připojený k kolíkům OSC1 a OSC2, aby se zajistilo přesné načasování a stabilní výkon.Pro vstup dat použijte 4bitovou konfiguraci na kolících AD0-AD3 a zarovnejte kolíky adresy (A0-A7), aby odpovídaly adrese dekodéru, abyste se vyhnuli chybám komunikace.Kódovaná data jsou poté vydána prostřednictvím datového pin a mohou být přenášena do dekodéru HT12D prostřednictvím kabelového připojení nebo bezdrátových technologií, jako je RF nebo IR.Zatímco kabelové připojení jsou na krátké vzdálenosti spolehlivá, bezdrátové metody poskytují větší flexibilitu a přizpůsobivost, což je činí ideální pro různé aplikace.

Schéma připojení pro HT12E IC
HT12E kodér se široce používá v systémech dálkového ovládání, jako jsou otvíráky garážových dveří, aby se zlepšila účinnost.Převádí paralelní data do formátu vhodného pro přenos modulu RF a zajišťuje přesnou a spolehlivou komunikaci mezi dálkovým a přijímačem.Ve srovnání s analogovými systémy nabízí HT12E rychlejší a spolehlivější výkon.
V domácí automatizaci hraje HT12E roli při převodu sériových dat pro efektivní integraci systému.Umožňuje centralizovanou kontrolu různých činností, jako je zapnutí nebo vypnutí osvětlení a řízení zařízení a na dálku.Tento kodér nejen zvyšuje pohodlí, ale také podporuje energetickou účinnost tím, že umožňuje přesnou kontrolu domácích systémů, uspokojuje vaše potřeby pro pohodlí a udržitelnost.
HT12E zlepšuje bezpečnostní systémy, jako jsou vloupání a požární poplachy, zajištěním bezpečného a přesného přenosu dat.Jeho spolehlivé kódování zajišťuje, že nouzové signály, jako jsou upozornění na vniknutí nebo varování o požáru, jsou rychle a správně přenášeny do monitorovacích stanic nebo pohotovostních respondentů.To zvyšuje celkovou bezpečnost a citlivost těchto systémů v kritických situacích.
Hodnocení pole ukazuje, že HT12E důsledně přináší spolehlivý výkon, a to i v náročném prostředí s elektromagnetickým rušením.Díky jeho odolnosti a všestrannosti napříč různými aplikacemi z něj činí řešení bezdrátové komunikace standout, které inspiruje k prozkoumání inovativních využití a maximalizaci jejího potenciálu.

Zašlete prosím dotaz, budeme odpovědět okamžitě.
na 2024/12/20
na 2024/12/20
na 8000/04/18 147757
na 2000/04/18 111934
na 1600/04/18 111349
na 0400/04/18 83719
na 1970/01/1 79508
na 1970/01/1 66895
na 1970/01/1 63010
na 1970/01/1 62998
na 1970/01/1 54081
na 1970/01/1 52115