
The GC5330Izev Je sofistikovaný širokopásmový digitální signální procesor (DSP), navržený speciálně pro pokročilé bezdrátové komunikační systémy.Tento DSP podporuje rozmanitou škálu standardů, jako jsou CDMA, GSM, TD-SCDMA, W-CDMA a WiMAX, což je velmi všestranné pro různé komunikační infrastruktury.Je vybaven 484-ball mřížky (BGA) balení vhodný pro technologické aplikace povrchové montáže, což zajišťuje bezproblémovou integraci do moderních elektronických sestav.GC5330Izev, součástí širší rodiny GC5330, sdílí se svými sourozenci společnou základní architekturu, jejímž cílem je optimalizovat výkon a efektivitu širokopásmových přenosových operací.
Pokud se chcete pro své systémy uzamknout v spolehlivé DSP, je nyní skvělý čas přemýšlet o zadání hromadné objednávky s námi pro GC5330Izev.

Symbol GC5330Izev

GC5330Izev Footprint

Model GC5330Izev 3D
• • Integrované přenosy a přijímat digitální, pokud je řešení: DSP zahrnuje integrované funkce digitálního upconverter (DUC) a digitální funkce DownConverter (DDC).Tato integrace zjednodušuje řetězec zpracování signálu kombinací více funkcí do jednoho kompaktního řešení, čímž se snižuje složitost a velikost systému.
• • Podpora více kanálů: GC5330Izev podporuje až 4 kanály přenosu (TX) a 8 přijímání (RX).Tato funkce umožňuje manipulaci s komplexními systémy více aantenny, které jsou skvělé pro moderní bezdrátové komunikační technologie, které vyžadují vysokou propustnost a zvýšenou integritu signálu.
• • Přenášet funkce cesty: Klíčové funkce v přenosové cestě GC5330IzeV zahrnují redukci faktorů CREST (CFR), digitální předost (DPD) a vyrovnávání přenosu.Tyto vlastnosti jsou nutné zlepšit kvalitu a linearitu signálu, což zase zvyšuje celkovou účinnost a výkon komunikačních systémů.
• • Synchronizační schopnosti: Zařízení je vybaveno dvěma vstupními synchronizacemi LVDS (SYNCA a SYNCB) a jedním synchronizačním výstupem LVDS.Tyto schopnosti synchronizace zajišťují přesné zarovnání načasování napříč více zařízeními v systému, pro udržení integrity a koherence při přenosu dat.

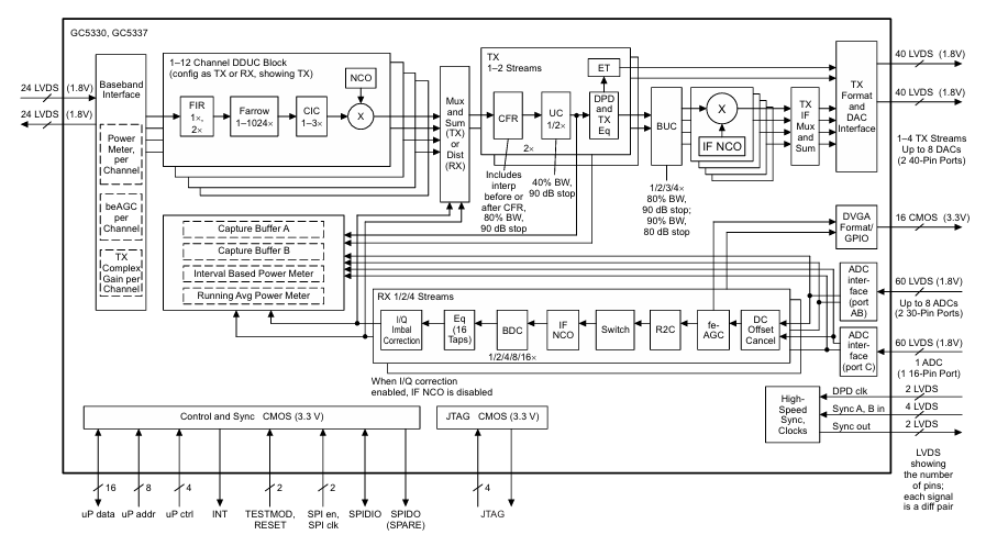
Blokové schéma GC5330/GC5337 ilustruje vysoce výkonné digitální přenosové řešení navržené pro systémy základní stanice.Začíná to a Rozhraní základního pásma, přijímání až 24 LVD diferenciálních párů při 1,8 V, které přenášejí data digitálního základního pásma do čipu.Toto rozhraní zahrnuje měřiče napájení na kanály a AGC (Automatická kontrola zisku) zajistit optimální úrovně signálu.The Digital Down/Up Converter (DDUC) Blok je konfigurovatelný buď pro přenos (TX) nebo přijímání (RX) a podporuje až 12 kanálů.Zpracovává signál základního pásma prostřednictvím více fází filtrování, jako je FIR, Farrow a CIC, aby upravil vzorkovací frekvence a aplikoval interpolaci nebo decimaci.Volitelné Numericky řízený oscilátor (NCO) je také zahrnut pro frekvenční translaci.Po filtrování a podmíněném stavu signál vstupuje do cesty TX, kde je dále interpolován bloky CFR (redukce faktoru CREST) a DPD (digitální pre-distměsí).Tyto komponenty optimalizují dynamický rozsah signálu a linearizují jej pro efektivní přenos.Prvky ET (sledování obálek) a BUC (blok převodníku) připravují signál pro vysokofrekvenční modulaci.Je -li fáze NCO přesune signál na střední frekvenci před odesláním do formátu TX a rozhraní DAC, které vydává až 4 proudy TX na 8 DAC přes 40 LVD linek.
Na straně přijímání systém zachycuje vysokorychlostní data ADC prostřednictvím 60 LVDS linek.Data jsou zpracována pomocí DC Offsetova zrušení, Fe-AGC, přepínače a pokud NCO blokuje.Poté postupuje k R2C a BDC, prochází vyrovnáním a volitelně I/Q nerovnováha před konečným zachycením a měřením výkonu.Tento proces podporuje flexibilní rychlosti pásma a míry decimace.Ve spodní části diagramu je zobrazeno několik rozhraní kontroly a synchronizace.Patří mezi ně rozhraní mikroprocesorů pro vstup příkazů a dat, JTAG pro testování a ladění a SPI pro konfiguraci.Vysokorychlostní hodiny a synchronizační signály zajišťují přesné načasování mezi vstupy, zpracováním a výstupními bloky.Celkově je architektura GC5330/GC5337 optimalizována pro vysoce účinnou digitální přenos s flexibilní konfigurabilitou pro různé bezdrátové standardy.
|
Typ |
Parametr |
|
Výrobce |
Texas Instruments |
|
Obal |
Hromad |
|
Stav dílu |
Zastaralý |
|
Funkce |
Procesor digitálního signálu |
|
RF typ |
CDMA, GSM, TD-SCDMA, W-CDMA, Wimax |
|
Typ montáže |
Povrchová držák |
|
Balíček / pouzdro |
484-BGA |
|
Balíček dodavatelského zařízení |
484-BGA |
|
Číslo základního produktu |
GC5330 |
Bezdrátové komunikační systémy
GC5330Izev je navržen tak, aby zpracovával pokročilé bezdrátové protokoly, jako jsou CDMA, GSM, TD-SCDMA, W-CDMA a WiMAX.Díky tomu je ideální DSP pro použití v moderních základních stanicích a bezdrátové infrastruktuře.Jeho integrované funkce digitálního up -konverze a downconversion, spolu s podporou více kanálů, mu umožňují efektivně spravovat širokopásmové RF signál.Zařízení zvyšuje výkon bezdrátových komunikačních systémů snížením počtu požadovaných externích komponent a nabídkou vynikající integrity signálu.
Bezdrátové opakování
V aplikacích Wireless Repeater slouží GC5330IZEV jako most mezi přijímacími a přenosovými řetězci.Poskytuje digitální filtrování, downversion příchozích signálů a převedení odchozích signálů.To umožňuje opakování předávat komunikační signály na delší vzdálenosti bez zkreslení.Zahrnutí funkcí, jako je redukce faktorů CREST a digitální předuch, je také velmi vhodné pro udržení kvality přenosu v zesílených cestách.
Testovací a měřicí zařízení
GC5330Izev je cenné při testovacích a měřicích zařízeních.Jeho schopnost zpracování širokopásmového zpracování a flexibilní manipulace s kanály mu umožňují simulovat, zpracovávat a analyzovat signály napříč různými bezdrátovými protokoly.Funkce s vysokou přesností synchronizace a pokročilé kondicionování signálu pomáhají zajistit spolehlivá a opakovatelná měření v prostředích laboratorních a polních testovacích prostředích.
Point-to-Point Radios
GC5330Izev je vhodný pro použití v rozhlasových odkazech na mikrovlnné troubě a milimetru vlny.V takových systémech vyžaduje vysoký přenos a příjem rychlosti dat DSP schopný manipulovat s širokými šířkami pásma a těsnou synchronizaci.Toto zařízení podporuje tyto potřeby s jeho efektivním digitálním zpracováním a umožňuje spolehlivou komunikaci v pevném bezdrátovém přístupu, sítích backhaul nebo specializovaných průmyslových odkazech.
• • GC5318IZED
• • Max2090etp+t
• • GC5328izer
Vylepšená účinnost zesilovače výkonu
GC5330Izev nabízí zlepšení celkové účinnosti systému začleněním redukce faktorů CREST (CFR) a digitálního předurčení (DPD).Tyto technologie spolupracují na snižování poměru k průměru (PAR) RF signálů a korekci nelinearit v energetických zesilovačích.Výsledkem je, že zesilovače pracují efektivněji a snižují spotřebu energie a tvorbu tepla.To vede k úsporám nákladů pro operátory systémů a prodlouží provozní životnost komponent RF.
Flexibilní integrace systému
Díky podpoře různých konfigurací MIMO, jako je 2 × 2, 4 × 4 nebo dokonce 4 × 8, a kompatibilita s více bezdrátovými standardy, jako jsou GSM, CDMA, TD-SCDMA, W-CDMA a WiMAX, je GC5330Izev neuvěřitelně univerzální.Můžete použít jednu platformu napříč různými typy komunikační infrastruktury, snížit složitost rozvoje, čas na trh a potřebu spravovat více řešení DSP pro různé sítě.
Snížený počet komponent a náklady
Integrací více funkcí zpracování, jako je digitální up -konverze, downconversion a přenos vyrovnání do jediného zařízení, GC5330Izev minimalizuje potřebu externích podpůrných komponent.To nejen zjednodušuje rozložení PCB, ale také snižuje náklady na materiál (BOM) a systémovou stopu.Konečným výsledkem je kompaktnější, nákladově efektivnější design, který se snadněji vyrábí a udržuje.
Zlepšená kvalita a spolehlivost signálu
S vestavěným pokročilým zpracováním signálu, jako je CFR, DPD a přenos vyrovnání, zvyšuje GC5330izev čistotu signálu a snižuje únik sousedního kanálu.To má za následek robustnější a interferenční komunikační kanál, který zajišťuje, že uživatelé dostávají konzistentní a vysoce kvalitní přenos i v hustých RF prostředích nebo scénářích s vysokou sazbou.
1. Výběr rozhraní: Počáteční krok v programování GC5330IzeV zahrnuje výběr příslušného komunikačního rozhraní.Toto zařízení podporuje jak rozhraní mikroprocesorové jednotky (MPU), tak sériové periferní rozhraní (SPI).Volba závisí na požadavcích na architekturu a řízení dat systému. Rozhraní SPI se stává aktivním pouze tehdy, když je pin emifena (externí paměťové rozhraní) pin nastaven na logiku.Před zahájením komunikace musíte zajistit, aby byla zavedena správná konfigurace hardwaru.Toto rozhodnutí určuje, jak jsou výměny kontrolních příkazů, konfiguračních dat a informace o stavu mezi hostitelským řadičem a GC5330.
2. Konfigurace hodin: Jakmile je rozhraní vytvořeno, dalším krokem je nakonfigurace signálů hodin.GC5330Izev pracuje s použitím dvou hlavních hodin: digitálních hodin před rozdělením (DPDCLK) a baseband clock (BBCLK).Tyto hodiny řídí interní potrubí zpracování dat.DPDCLK podporuje frekvence až do 310 MHz, zatímco BBCLK podporuje až 290 MHz.Oba musí být přesně nakonfigurovány tak, aby splňovaly požadavky na šířku pásma a načasování zamýšleného standardu bezdrátové komunikace.Správná synchronizace mezi těmito hodinovými doménami zajišťuje, že fáze zpracování signálu, jako je filtrování, interpolace a míchání, spolehlivě a v rámci specifikace.
3. Synchronizace: Synchronizace je důležitá pro časově zarovnanou operaci napříč různými moduly v rámci GC5330IzeV.Čip poskytuje vstupní synchronizované signály SYNCA a SYNCB a také synchronizační signál výstupní synchronizace.Tyto signály se používají k zarovnání interních událostí, jako je měření posilovače, zachycení signálu nebo aktualizace DPD.Ve více čipových nebo vícekanálových systémech musí externí procesory hardwaru nebo baseband koordinovat synchronizované impulzy, aby se zajistila konzistentní okna zpracování.Programováním kontrolních registrů synchronizace můžete přizpůsobit, jak a kdy dochází k synchronizačním spouštěčům, což zajišťuje stabilní provoz i za dynamických podmínek systému.
4. Formátování dat : GC5330Izev nabízí možnosti flexibilního formátování dat jak pro své přenosové, tak pro přijímací cesty.Pro příjem musí nakonfigurovat formát vstupu základního pásma pro přenos a výstupní formát základního pásma pro příjem.To zahrnuje výběr příslušných šířky a formátů dat, jako jsou sériové, byte-paralelní nebo nibble-paralelní režimy.Správné formátování dat zajišťuje kompatibilitu s procesorem Baseband nebo FPGA manipulace s digitálními I/Q toky.Možnosti programovatelného rámce umožňují přizpůsobené zarovnání a zapouzdření dat pro systémy, které používají složité struktury rámování nebo používají dynamické přenosy prasknutí.
5. Konfigurace DUC a DDC: Hlavní funkcí GC5330IzeV je jeho schopnost digitálního up -conversion (DUC) a DownConversion (DDC).Tyto bloky jsou nakonfigurovány pro správu interpolace signálu, decimaci, filtrování a frekvence.Na straně přenosu DUC zvyšuje vzorkovací frekvenci a posune signál na požadovaný frekvenční pás, připravený k přeměně RF.Na straně přijímání DDC snižuje vzorkovací frekvenci a odfiltruje nežádoucí frekvenční komponenty.Správné nastavení DUC a DDC jsou dobré pro optimalizaci věrnosti signálu, snížení aliasingu a zajištění efektivního využití šířky pásma.Konfigurační parametry zahrnují rychlosti interpolace/decimace, koeficienty filtru a nastavení mixéru.
6. Získejte kontrolu: Automatická kontrola zisku (AGC) v GC5330IzeV je rozdělena do dvou klíčových oblastí: front-end AGC (FEAGC) a back-end AGC (BEAGC).Tyto bloky pomáhají udržovat optimální úrovně signálu, když si signály pohybují řetězcem zpracování.FEAGC se primárně zabývá hladinou příchozího signálu a nastavuje zisk, aby se zabránilo nasycení nebo oříznutí.BEAGC se zaměřuje na zpracovaný signál a zajišťuje, že zůstává v očekávaných dynamických rozsazích pro následné digitální operace.Musíte naprogramovat prahové hodnoty AGC, rychlosti útoku/rozpadu a získat kroky k zpracování různých podmínek signálu, jako je vyblednutí, rušení nebo změny síly signálu.
7. Nastavení měření a alarmu: GC5330Izev zahrnuje programovatelné jednotky měření posilovadla schopné sledovat úrovně signálu.Tyto měřiče pomáhají detekovat abnormality, jako jsou přepětí energie, kapky nebo emise mimo pásmo.Programovatelné alarmy lze nakonfigurovat tak, aby spustily na základě přednastavených prahů, což umožňuje ochranné nebo nápravné opatření, jako je úpravy zisku nebo signalizace chyb.Bloky měření musíte nakonfigurovat nastavením velikosti napájecího okna, úrovní prahových hodnot a nastavením filtru.Tato funkce je důležitá v systémech vyžadujících vysokou spolehlivost, jako jsou základní stanice, které vyžadují dodržování předpisů a provozní bezpečnost.
|
Parametr |
Dimenze (mm) |
|
Velikost těla (celkově) |
22,80 - 23,20 |
|
Velikost substrátu (vnitřní čtverec) |
19.30 - 19,70 |
|
Pitch míče (typické) |
1 |
|
Počet koulí |
22 × AB (pole mřížky) |
|
Výška balíčku (tělo) |
1,12 - 1,22 |
|
Maximální výška balíčku (celkově) |
2.48 |
|
Průměr míče |
0,50 - 0,70 |
|
Výška míče nad rovinou sezení |
0,40 - 0,60 |
|
Tolerance průměru míče |
± 0,10 |
|
Stand-off míče (letadlo sezení) |
0,15 |

GC5330Izev je vyroben Texas Instruments, celosvětově renomovaný vůdce v návrhu a výrobě analogových a vestavěných polovodičů zpracování.Se sídlem v Dallasu v Texasu, Texas Instruments (TI) má dlouhodobou pověst pro inovace a spolehlivost v elektronickém průmyslu a slouží různým odvětvím včetně automobilového, průmyslového, komunikačního a spotřební elektroniky.TI je známé svým robustním portfoliem vysoce výkonných integrovaných obvodů a GC5330Izev je příkladem odbornosti společnosti při poskytování složitých digitálních rádiových řešení.Se zaměřením na kvalitu, škálovatelnost a podporu pro nově vznikající komunikační standardy zajišťují, že komponenty, jako je GC5330Izev, splňují náročné požadavky moderních aplikací RF a základního pásma.
GC5330Izev vyniká jako vysoce výkonné řešení DSP vytvořené tak, aby splňovalo přísné požadavky bezdrátové infrastruktury nové generace.Jeho flexibilní podpora kanálu, integrované bloky zpracování a robustní synchronizace způsobují, že je ideální pro snížení složitosti systému, zlepšení účinnosti zesilovače výkonu a zvýšení věrnosti signálu.Společnost GC5330Izev, podporovaná reputací společnosti Texas Instruments pro spolehlivost a inovace
Zašlete prosím dotaz, budeme odpovědět okamžitě.
Ano, GC5330Izev je vysoce kompatibilní s vlastními systémy založenými na FPGA.Jeho konfigurovatelná digitální rozhraní a možnosti formátování dat usnadňují integraci s programovatelnými logickými platformami.Pro komunikaci mezi FPGA a DSP čipem můžete použít datové spojení LVDS, SPI nebo mikroprocesorové rozhraní a zajistit plynulé zpracování signálu v aplikacích, jako jsou základní stanice nebo zkušební zařízení.
Na rozdíl od tradičních nastavení, která se spoléhají na více diskrétních komponent DSP, konsoliduje GC5330Izev klíčové vlastnosti, jako je redukce faktorů CREST (CFR), digitální přehled (DPD) a pokročilé filtrování.Tato integrace zajišťuje přísnější kontrolu nad integritou signálu, nižší latence a lepší synchronizaci, což přímo vede ke zlepšení velikosti vektoru chyb (EVM) a snížení přilehlé interference kanálu.
Zatímco GC5330Izev byl primárně navržen pro bezdrátové standardy 3G a 4G, stále může sloužit jako výkonný blok zpracování v systémech sub-6 GHz 5G, které nevyžadují velmi nízkou latenci nebo masivní škálovatelnost MIMO.Jeho vysoká podpora šířky pásma a více kanálů TX/RX mohou pomoci zpracovat širokopásmové signály a podporovat pevný bezdrátový přístup nebo backhaul při přechodném nasazení 5G.
Ano, GC5330Izev může podporovat vícepásmové systémy prostřednictvím své více kanálové architektury digitálního zpracování.Může současně zvládnout až 4 TX a 8 RX kanály, což umožňuje implementaci agregace nosiče napříč frekvenčními pásmami, zejména ve scénářích vyžadujících digitální, pokud pro front -end pro RF.Pro optimální výkon je nezbytné pečlivé nastavení instalace a synchronizace.
Ano.GC5330Izev je kompatibilní s architekturami SDR, zejména těmi, kteří potřebují vyhrazený hardwarový DSP pro intenzivní zpracování základního pásma.Jeho funkce digitální konverze a kanály v reálném čase umožňují vykládat výpočetní úkoly z obecného procesoru v prostředí SDR.
na 2025/04/1
na 2025/04/1
na 8000/04/18 147760
na 2000/04/18 111973
na 1600/04/18 111351
na 0400/04/18 83741
na 1970/01/1 79527
na 1970/01/1 66935
na 1970/01/1 63086
na 1970/01/1 63025
na 1970/01/1 54092
na 1970/01/1 52166