
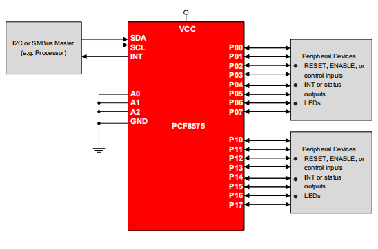
The PCF8575 Slouží jako všestranný vzdálený I/O expander, což umožňuje bezproblémovou komunikaci mezi mikrokontroléry prostřednictvím protokolu I2C.Využití SCL (sériové hodinové linie) a SDA (sériová datová linka) pro přenos dat zjednodušuje návrh obvodu umožněním výstupů s vysokým proudem, jako jsou LED, aniž by vyžadovaly další signály pro směrování dat.Po inicializaci jsou všechny I/O kolíky výchozí do vysokého stavu a aktivují zdroj interního proudu propojeným s VCC.Tato funkce nejen zefektivňuje operace, ale také minimalizuje potřebu pomocných komponent, díky čemuž je PCF8575 cenným aktivem pro různé elektronické aplikace.
Jednou z standoutů prvků PCF8575 je jeho podpora jak pro systémy 3,3V, tak 5V, dosažených prostřednictvím převodníku integrovaného úrovně.To rozšiřuje jeho kompatibilitu s různými architekturami mikrokontroléru a nabízí vám větší flexibilitu a svobodu při navrhování systému.Schopnost pracovat napříč různými standardy napětí eliminuje běžnou výzvu ve vícesložkových systémech, což vám umožní zaměřit se na kreativní implementace bez obav o neslučitelnost napětí.
Hlavním aspektem PCF8575 je jeho konfigurovatelné rozhraní I2C, které zvyšuje připojení a adresovatelnost zařízení v komplexních nastaveních.U pájených skokanů můžete upravit adresu I2C ze základny 0x20, což umožňuje efektivní komunikaci na více zařízeních.Tato adaptabilita je užitečná pro vyhýbání se řešení konfliktů ve složitých systémech, což často zdůrazňuje detail.Kromě toho může být zařízení napájeno prostřednictvím VDD nebo VCC, což zajišťuje různé požadavky na logickou úroveň.Tato flexibilita zjednodušuje integraci se systémy pracujícími při 3,3 V nebo 5V, což zajišťuje stabilitu a spolehlivost v různých aplikacích.

|
KOLÍK |
TYP |
POPIS |
||
|
JMÉNO |
DB, DBQ, DGV, DW a PW |
Rge |
||
|
A0 |
21 |
18 |
I |
Vstup adresy 0. Připojte se přímo k VCC nebo zem.
Vytváření rezistorů není nutné. |
|
A1 |
2 |
23 |
I |
Vstup adresy 1. Připojte se přímo k VCC nebo zem.
Vytváření rezistorů není nutné. |
|
A2 |
3 |
24 |
I |
Vstup adresy 2. Připojte se přímo k VCC nebo zem.
Vytváření rezistorů není nutné. |
|
Int |
1 |
22 |
Ó |
Přerušení výstupu.Připojte se k vCC skrz tah
odpor. |
|
P00 |
4 |
1 |
I/o |
P-port vstup/výstup.Konstrukční struktura push-pull. |
|
P01 |
5 |
2 |
I/o |
P-port vstup/výstup.Konstrukční struktura push-pull. |
|
P02 |
6 |
3 |
I/o |
P-port vstup/výstup.Konstrukční struktura push-pull. |
|
P03 |
7 |
4 |
I/o |
P-port vstup/výstup.Konstrukční struktura push-pull. |
|
P04 |
8 |
5 |
I/o |
P-port vstup/výstup.Konstrukční struktura push-pull. |
|
P05 |
9 |
6 |
I/o |
P-port vstup/výstup.Konstrukční struktura push-pull. |
|
P06 |
10 |
7 |
I/o |
P-port vstup/výstup.Konstrukční struktura push-pull. |
|
P07 |
11 |
8 |
I/o |
P-port vstup/výstup.Konstrukční struktura push-pull. |
|
GND |
12 |
9 |
- |
Země |
|
P10 |
13 |
10 |
I/o |
P-port vstup/výstup.Konstrukční struktura push-pull. |
|
P11 |
14 |
11 |
I/o |
P-port vstup/výstup.Konstrukční struktura push-pull. |
|
P12 |
15 |
12 |
I/o |
P-port vstup/výstup.Konstrukční struktura push-pull. |
|
P13 |
16 |
13 |
I/o |
P-port vstup/výstup.Konstrukční struktura push-pull. |
|
P14 |
17 |
14 |
I/o |
P-port vstup/výstup.Konstrukční struktura push-pull. |
|
P15 |
18 |
15 |
I/o |
P-port vstup/výstup.Konstrukční struktura push-pull. |
|
P16 |
19 |
16 |
I/o
|
P-port vstup/výstup.Konstrukční struktura push-pull. |
|
P17 |
20 |
17 |
I/o |
P-port vstup/výstup.Konstrukční struktura push-pull. |
|
SCL |
22 |
19 |
I |
Linie sériových hodin.Připojte se k vCC skrz tah
odpor. |
|
SDA |
23 |
20 |
I/o |
Sériové datové linie.Připojte se k vCC skrz tah
odpor. |
|
VCC |
24 |
21 |
- |
Napětí |


|
Funkce |
Popis |
|
Nízká spotřeba pohotovostního proudu |
10 µA max |
|
I²C na paralelní port expandéru |
Umožňuje snadné rozšíření I/O kolíků prostřednictvím rozhraní I²C. |
|
Výstup přerušení otevřeného odtoku |
Umožňuje generování externího přerušení pro
mikrokontroléry. |
|
Kompatibilita mikrokontroléru |
Kompatibilní s většinou mikrokontrolérů. |
|
I²C Rychlost autobusu |
400-kHz Rychlý autobus I²C. |
|
Adresování |
Adresovatelné třemi hardwarovými adresami, což umožňuje
na osm zařízení. |
|
Západní výstupy |
Schopnost pohonu s vysokým proudem pro přímé řízení LED diody. |
|
Aktuální zdroj |
Poskytuje proud pro VCC za aktivní řízení na vysoké úrovni
výstup. |
|
Latch-up výkon |
Přesahuje 100 Ma na JESD 78, třída II. |
|
Pracovní napětí |
2,5 - 5,5 V DC. |
|
Pracovní proud |
100 mA (max). |
|
Adresa i²c |
Výchozí adresa: 0x20, modifikovatelná pomocí pájení A1 a A2
Výběrové podložky. |
|
Adresovatelné kolíky |
16 Individuálně adresovatelné kolíky. |
|
Konfigurace pin |
Každý pin konfigurovatelný jako vstup nebo výstup;Podporuje vstup
změnit přerušení. |
|
Knihovna Arduino |
Kompatibilní s knihovnou Arduino: PCF8575. |
|
Aplikace |
Vhodné pro Arduino Uno R3 a další MCU pro
Ovládání relé, bzučáků, tlačítek a LED diody. |
|
Ochrana ESD |
V souladu s modelem lidského těla JESD 22: 2000-V (A114-A),
200-V model stroje (A115-A), 1000-V nabitý model (C101). |
Tato tabulka poskytuje jasné a stručné zastoupení Technické specifikace a atributy pro nástroje Texas PCF8575pw.
|
Typ |
Parametr |
|
Stav životního cyklu |
Aktivní (poslední aktualizace: před 5 dny) |
|
Časová doba z továrny |
6 týdnů |
|
Typ montáže |
Povrchová držák |
|
Balíček / pouzdro |
24-TSSOP (0,173, 4,40 mm šířka) |
|
Povrchová držák |
ANO |
|
Počet kolíků |
24 |
|
Hmotnost |
89.499445mg |
|
Počet I/OS |
16 |
|
Provozní teplota |
-40 ° C ~ 85 ° C. |
|
Obal |
Trubice |
|
JESD-609 kód |
E4 |
|
Kód PBFree |
Ano |
|
Stav dílu |
Aktivní |
|
Úroveň citlivosti na vlhkost (MSL) |
1 (neomezený) |
|
Počet zakončení |
24 |
|
ECCN kód |
Ear99 |
|
Terminál povrch |
Nikl/palladium/zlato (ni/pd/au) |
|
HTS kód |
8542.39.00.01 |
|
Napětí - napájení |
4,5 V ~ 5,5 V. |
|
Poloha terminálu |
DVOJÍ |
|
Terminální forma |
Gull Wing |
|
Vrcholová reflow teplota (° C) |
260 |
|
Napětí |
3,3V |
|
Terminální výška |
0,65 mm |
|
Číslo základní dílu |
PCF8575 |
|
Počet špendlíků |
24 |
|
Počet výstupů |
16 |
|
Typ výstupu |
Push-pull |
|
Provozní napájecí napětí |
5,5 V |
|
Napájecí zdroje |
3/5V |
|
Rozhraní |
I2C, SMBUS |
|
Počet portů |
2 |
|
Počet bitů |
16 |
|
Hodinová frekvence |
400 kHz |
|
Dodávka proudu max |
0,2 mA |
|
Přerušení výstupu |
Ano |
|
Aktuální - Výstupní zdroj/dřez |
10 mA / 25ma |
|
Funkce |
Por |
|
Výška |
1,2 mm |
|
Délka |
7,8 mm |
|
Šířka |
4,4 mm |
|
Tloušťka |
1 mm |
|
Kalení záření |
Žádný |
|
Stav ROHS |
Rohs3 vyhovující |
|
Olovo zdarma |
Olovo zdarma |




PCF8575, všestranný I/O expander, významně ovlivňuje různé technologické arény.Jeho rozmanité aplikace se rozprostírají napříč telekomunikací, osobní výpočty a dále, což prokazuje jeho kompetence při efektivním řízení vícenásobných periferních připojení.
V telekomunikačním sektoru vylepšuje PCF8575 zařízení, jako jsou filtrační jednotky, rozšířením schopností GPIO, což umožňuje přesnější kontrolu a přesnost v složitém prostředí zpracování signálu.Jeho adaptabilita slouží jako spolehlivý partner pro vás, abyste se snažili zdokonalovat systémy a zajistit stabilní konektivitu a přesné správu signálu.
Tato komponenta usnadňuje efektivní operace v rámci infrastruktury serveru a nabízí přizpůsobitelná připojení, která jsou aktivní pro nastavení s vysokou poptávkou.Poskytuje vám šířku optimalizace návrhů serverů s flexibilitou a škálovatelností a vyhovuje vyvíjejícím se požadavkům s minimálními hardwarovými úpravami.
PCF8575 hraje podpůrnou roli ve směrovačích sítě rozšiřováním programovatelnosti a připojení zařízení.Pomocí vývoje směrovačů zaměřených na robustnost a přizpůsobivost pomáhá vytvářet sofistikovaná řešení, která účinně řídí zvyšující se datový provoz.
Ve světě osobních počítačů vám tento I/O expander nabízí flexibilitu pro inovování periferií a vylepšení, aniž by byl příliš omezen limity architektury systému.Podporuje kreativitu v designu hardwaru a postupuje do přístupných technologií pro trh s efektivitou.
Na trhu s rychle se rozvíjejícím spotřební elektronikou rozšiřuje PCF8575 vlastnosti zařízení bez zatížení hlavních přepracování.Tato schopnost umožňuje společnostem zavádět nejmodernější funkce v kompaktních návrzích a pomáhat udržet konkurenční přítomnost v neustále se rozvíjejícím průmyslu.
PCF8575 je nápomocný v průmyslové automatizaci, usnadňuje výjimečné řízení a monitorování procesů.Poskytováním nebezpečné konektivity podporuje sofistikované řízení operací, zvyšuje účinnost a snížení prostojů ve výrobních prostředích.
Pro zařízení omezená vzácnou dostupností GPIO představuje PCF8575 revoluční řešení rozšiřováním portů, což umožňuje vylepšené propojení s periferními zařízeními.Tato flexibilita poskytuje vaši tvůrčí místnost pro vývoj inovativních řešení přizpůsobených konkrétním potřebám uživatelů.

Texas Instruments (TI) se sídlem v Dallasu v Texasu přinesl pozoruhodné příspěvky jako průkopník v polovodičovém průmyslu, zejména v integrovaných obvodech.Známý globálně pro jeho inovativní duch, TI, hluboce ovlivnil četné technologické pokroky prostřednictvím svých průlomů v analogovém a zabudovaném zpracování.V průběhu času společnost rozšířila svou rozsáhlou sbírku patentu a zajistila silnou přítomnost na trhu, což odráží její neustálou snahu o dokonalost a inovace.Události ve vzdělávání a technologii byly formovány rozmanitou produktovou řadou TI, včetně zařízení, jako jsou kalkulačky, mikrokontroléry a vícejádrové procesory.
Zašlete prosím dotaz, budeme odpovědět okamžitě.
na 2024/11/22
na 2024/11/22
na 8000/04/18 147760
na 2000/04/18 111974
na 1600/04/18 111351
na 0400/04/18 83741
na 1970/01/1 79527
na 1970/01/1 66936
na 1970/01/1 63086
na 1970/01/1 63025
na 1970/01/1 54092
na 1970/01/1 52166