
The 8255 Mikroprocesor, také označovaný jako PPI (programovatelný periferní rozhraní) čip, hraje roli při usnadňování přenosu dat v různých prostředích.Díky jeho podpoře jednoduchých i přerušení I/O operací je velmi přitažlivý pro různé aplikace.Tento mikroprocesor umožňuje tekuté interakce mezi CPU a externími zařízeními, jako jsou analogové digitální převaděče (ADC), digitální převaděče k analogům (DAC) a klávesnice.Jeho sofistikovaná, ale ekonomicky životaschopná architektura zajišťuje kompatibilitu s širokou škálou mikroprocesorů a externích komponent.Dodává se se třemi 8bitovými obousměrnými I/O porty, programovatelnými na potřeby aplikace.Mikroprocesor 8255 najde své místo v nesčetných průmyslových odvětvích a prokazuje jeho všestrannost jak v průmyslové automatizaci, tak v spotřební elektronice.V automatizovaném výrobním prostředí slouží 8255 jako jádro v systémech sběru dat, propojení se senzory a akčními ovladami.
Mikroprocesor 8255 vyniká jako programovatelné zařízení pro periferní rozhraní (PPI), které mají tři programovatelné I/O porty.Tyto porty usnadňují připojení k různým zařízením, fungují ve třech operačních režimech: režim 0 (jednoduchý I/O), režim 1 (Strobed I/O) a režim 2 (obousměrné zamořené I/O).
Tři programovatelné porty I/O nabízejí různé možnosti připojení.Tato flexibilita pomáhá při řízení a koordinaci více periferních zařízení, obohacující modularitu systému a škálovatelnost.
Režim 0 umožňuje přímé vstupní a výstupní operace.Díky jeho jednoduchosti a rychlosti je vysoce spolehlivé pro úkoly, kde je potřeba přímá funkčnost.
Režim 1, neboli I/O, používá signály handshake k zajištění správného načasování a synchronizace přenosu dat.Tento režim přispívá k integritě dat a snižuje riziko chyb během přenosu.
Režim 2 podporuje obousměrnou komunikaci a zvyšuje účinnost výměn dat.Tato schopnost duálního toku je dobrá v systémech, které vyžadují dynamický a spolehlivý přenos dat.
Úplná kompatibilita mikroprocesoru s procesory Intel zaručuje bezproblémovou integraci a výjimečnou spolupráci v rámci systémů založených na Intel.Jeho kompatibilita TTL usnadňuje přímou interakci se standardními logickými rodinami a zefektivňuje návrh a implementaci elektronických systémů.
Jednou z funkcí 8255 je jeho přímý bitová/resetovací funkce.To umožňuje manipulaci jednotlivých bitů v portech a nabízí přesnou kontrolu nad periferními operacemi.Jiní využívají tuto schopnost ke zvýšení výkonu systému a citlivosti.
8255 poskytuje celkem 24 programovatelných I/O kolíků uspořádaných do 8bitových a 4bitových portů.Tato konfigurace poskytuje značnou flexibilitu při navrhování periferních rozhraní a zajišťuje jednoduché i složité nastavení.Tyto programovatelné kolíky umožňují praktikům vytvářet řešení na míru přizpůsobená konkrétním potřebám aplikací.Adaptabilita a programovatelnost 8255 je velmi prospěšná.Například v systémech řízení automobilů, které řídí více senzorů a pohonů, schopnost mikroprocesoru zvládnout různé operace vstupů/výstupů zajišťuje spolehlivý a efektivní výkon systému.

Mikroprocesor 8255 vyniká jako sofistikované programovatelné periferní rozhraní vytvořené se 40 kolíky, z nichž každá hraje zřetelné role pro svou funkci.Disekci těchto kolíků odhaluje jejich příslušné funkce a rozmanité aplikace.
Piny PA0-PA7 a PB0-PB7 slouží jako primární kanály pro výměnu dat pro port A a port B.Tyto porty usnadňují plynulou komunikaci mezi mikroprocesorem a periferními zařízeními.Často se používají v paralelní komunikaci se vstupními/výstupními zařízeními a zajišťují efektivní zpracování dat.Efektivní řízení těchto řádků ve scénářích vyžadujících paralelní zpracování a přenos dat, což zvyšuje celkovou citlivost systému.
Port C Pins, PC0-PC7, jsou rozděleny do horní (PC4-PC7) a dolních (PC0-PC3) polovin.Tato segmentace umožňuje flexibilní konfigurace pro různé provozní režimy.Duální povaha portu C může fungovat jako jednotlivé kontrolní linie nebo jako kolektivní skupina pro handshaking.Taková všestrannost se ukáže jako neocenitelná ve složitých rozhraních obvodech, kde je nutná přesná kontrola a zpětná vazba stavu, což usnadňuje složité systémové operace.
Kolíky D0-D7 tvoří základní datovou sběrnici, což umožňuje tok obousměrných dat mezi mikroprocesorem a periferiemi.Tyto řádky hrají roli při přenosu dat, příkazů a informací o stavu.Pochopení načasování a synchronizace transakcí datových sběrnic k optimalizaci celkového výkonu systému, zajištění hladké výměny dat a provozní efektivitu.
Kolíky A0 a A1 jsou nedílnou součástí výběru příslušného portů pro operace přenosu dat nebo řídicího registru.Tyto adresní řádky umožňují mikroprocesoru přesně zacílit na konkrétní registry a nasměrovat operace s přesností.Zvládnutí používání těchto kolíků je dobré pro konfiguraci mikroprocesoru pro různé úkoly, jako je nastavení režimu a přerušení, přizpůsobení jej tak, aby splňovalo různé provozní požadavky.
PIN CS aktivuje mikroprocesor 8255.Když je tento PIN nízký, je mikroprocesor vybrán pro následné operace čtení nebo zápisu.Správná implementace tohoto PIN je důležitá pro stabilitu systému a prevenci chybných výměn dat, což zajišťuje spolehlivou provoz.
RD 'PIN iniciuje operace čtení od mikroprocesoru.Tento signál se používá pro získávání dat ze zařízení.Účinná koordinace signálů čtení s načasováním periferního zařízení pomáhá při sběru bezproblémové dat a zvyšuje integritu dat.
WR 'PIN spouští operace zápisu, což umožňuje odesílání dat do periferních zařízení.K zajištění integrity dat a zabránění ztrátě dat během přenosu je nezbytná správná synchronizace příkazů zápisu a zachování spolehlivosti systému.
Resetový kolík reinitializuje mikroprocesor.Tato akce vymaže data a nastavení a zajistí, že systém může být restartován a přinesen do známého stavu.To je důležité po setkání s chybami zpracování nebo během startup sekvencí, zachování konzistence systému.
Kolíky GND a VCC poskytují napájení mikroprocesoru.GND slouží jako referenční základ, zatímco VCC dodává stabilní 5V.Správné zapojení těchto kolíků, aby se zabránilo kolísáním výkonu, které by mohly ohrozit výkon mikroprocesoru a celkovou spolehlivost systému.
Práce s mikroprocesorem 8255 odhaluje zajímavou aspekt: optimalizace jeho multifunkčních kolíků pro různé provozní režimy.Použití těchto kolíků v aplikacích řízených přerušením zvyšuje účinnost tím, že umožňuje mikroprocesoru reagovat na události tak, jak se vyskytují, bez neustálého dotazování periferních zařízení.Tento přístup zvyšuje výkon systému, takže je adaptivnější a reaguje na jakékoli události.
Konfigurace PIN mikroprocesoru 8255 je základem jeho flexibility a účinnosti periferního propojení.Pochopení role každého PIN a uplatňování osvědčených postupů v jejich použití může výrazně zvýšit výkon mikroprocesoru ve složitých systémech.

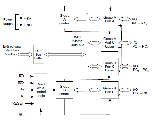
Architektura mikroprocesoru 8255 je složitá a zahrnuje několik komponent, které zajišťují operace CPU tekutin.Sofistikované interní rozhraní sběrnice integruje interní a systémové autobusy a podporuje plynulé úkoly CPU pro čtení a zápis, což podporuje jeho roli v celkové funkčnosti mikroprocesoru.
Interní rozhraní sběrnice slouží jako most mezi interními mechanismy mikroprocesoru a externími systémovými autobusy.Toto obousměrné rozhraní je dobré pro efektivní provádění operací čtení a zápisu.Například podobné systémy se používají v současných výpočtech k usnadnění výměny informací mezi centrální zpracovatelskou jednotkou a různými periferními zařízeními, což zajišťuje hladký a efektivní výkon.
Kontrolní logika je jádrem architektury 8255, organizující interní operace a správa dat.Zvýšením koordinace optimalizuje kontrolní logiku účinnost zpracování.Implementace pokročilých kontrolních systémů, podobné systémům v moderních automatizovaných výrobních liniích, může zvýšit výkon a spolehlivost komplexních systémů.
Architektura definuje kontrolní skupiny A a B, které jsou spravovány CPU.Tyto skupiny přenášejí příkazy na přidružené porty, podobné tomu, jak jsou automatizované systémy rozděleny do kontrolovatelných jednotek, aby se zlepšila spravovatelnost a účinnost.Tato segmentace umožňuje snadnější zdokonalení a řešení problémů ve složitých scénářích.
Porty A a B mají 8bitové vstupní západky a výstupní vyrovnávací paměti.Port A funguje ve třech jedinečných režimech, zatímco port B funguje ve dvou.Tato odrůda v konfiguračních režimech umožňuje širokou škálu aplikací, podobně jako konfigurovatelné síťové systémy, které se mohou přizpůsobit různým provozním potřebám.Více režimů poskytuje zvýšenou flexibilitu a užitečnost.
Port C je rozdělen do horních a dolních sekcí pro operace handshake a status.Tato segmentace zajišťuje přesnou a spolehlivou komunikaci v mikroprocesorových i moderních systémech komunikace sítě.Například protokoly handshake používané při zabezpečených výměnách dat ukazují nutnost takové segmentované kontroly při udržování integrity a účinnosti.
Architektonická sofistikovanost mikroprocesoru 8255, poznamenaná její komplexní logikou kontroly, všestrannými konfiguracemi portů a efektivním rozhraním sběrnice, zdůrazňuje hodnotu podrobného, modulárního designu při dosahování optimalizovaného a spolehlivého výkonu v různých technologických oblastech.
8255 pracuje v různých režimech, z nichž každá nabízí jedinečné funkce přizpůsobené pro různé aplikace.Pochopení těchto režimů a výběru vhodného může často vést ke zlepšení výkonu a účinnosti systému.
Režim s nastavením bitů se zaměřuje na ovládání jednotlivých bitů v portu C. Nabízí praktické řešení pro scénáře vyžadující jemnozrnnou manipulaci s konkrétními kolíky, což umožňuje přesnou kontrolu bez ovlivnění celého portu.Tento režim je například vysoce prospěšný při správě periferních zařízení, jako jsou LED nebo malé motory, jako je přesnost a minimální narušení.Tento režim prokázal svou hodnotu při poskytování kontroly nad specifickými komponenty, podporující spolehlivé a nuanční operace.
8255 zahrnuje tři odlišné I/O režimy, z nichž každá zajistí různé provozní požadavky.
Režim 0 umožňuje přímé vstupní a výstupní operace bez zapojení přerušení nebo handshakingu.Usnadňuje přímou komunikaci mezi procesorem a periferiemi, díky čemuž je vhodná pro vývoj produktů v rané fázi a jednoduché zabudované systémy.Tento režim svítí v aplikacích, kde je žádoucí přímá interakce s minimální složitostí, což umožňuje funkční ověření bez přidaných vrstev synchronizace.
Režim 1 představuje handshaking, aby zajistil synchronizované přenos dat mezi procesorem a periferními zařízeními, pomocí řídicích signálů k udržení integrity a načasování dat.Tento režim se ukáže jako výhodný v komunikačních systémech a zařízeních pro sběr dat, což zajišťuje spolehlivé přijetí dat, kde je přesnost skvělá.S zavedenými mechanismy handshakingu režim 1 zabraňuje ztrátě dat a kolizí, což z něj činí spolehlivou možnost pro prostředí vyžadující výměnu dat.
Režim 2 podporuje obousměrné I/O operace a využívá kolíky skupiny A pro obousměrnou datovou sběrnici s dolním ovládáním I/O bity dolního portů C.Tento režim je ideální pro pokročilé komunikační protokoly, efektivní výměnu dat a inteligentní periferní zařízení, jako jsou určitá paměťová rozhraní a inteligentní senzory.Využitím pinů skupiny A a nižších bitů portů C nabízí režim 2 větší všestrannost a efektivitu, usnadňuje komplexní a responzivní interakci mezi zařízeními.
Rozmanité provozní režimy 8255, včetně podrobné manipulace v režimu sestavy bitového nastavení a různých konfigurací I/O, vytvářejí solidní základ pro vytváření sofistikovaných a spolehlivých digitálních systémů.Výběr správného režimu založený na konkrétních potřebách aplikace může optimalizovat výkon a funkčnost systému.
Fungování mikroprocesoru 8255, všestranného programovatelného I/O jednotky, usnadňuje výměnu dat mezi centrální zpracovatelskou jednotkou (CPU) a více periferními zařízeními, jako jsou klávesnice, analogové digitální převaděče (ADC) a digitální na-Analogové převaděče (DAC).Tato jednotka zajišťuje hladké zpracování vstupních a výstupních operací, podporuje bezchybnou komunikaci a efektivní výměnu dat.
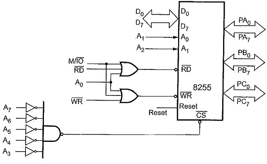
Při propojení 8255 s mikroprocesorem 8086 jsou v datových transakcích užitečné specifické kontrolní kolíky, jako je vstupní čtení (RD) a WRS (WR) kolíky.Během získávání dat se RD PIN aktivuje, což umožňuje mikroprocesoru načíst data z externího zdroje.Naopak, WR PIN aktivuje pro přenos dat z mikroprocesoru do externího zařízení.Praktický příklad lze vidět v automatizovaných testovacích systémech, kde je důležité včasné získávání dat a záznam.Bezproblémová provoz údajů o čtení a psaní mezi komponenty minimalizuje latenci, čímž optimalizuje výkon.
Mikroprocesor 8255 používá pro přenos dat 8bitovou datovou sběrnici, což zajišťuje širokou kompatibilitu a přizpůsobivost v různých aplikacích.Adresové řádky A1 a A0 hrají roli při regulaci interních konfigurací a funkčních režimů 8255, což diktuje, jak jsou data spravována a zaznamenána.Řešení řádků A1 a A0 lze přirovnat k knihovníkům organizující knihy v knihovně, identifikují, odkud by měla být data čtena nebo zapsaná, zachovávají pořadí a efektivitu systému.Tato organizace je nejlepší pro systémy, které vyžadují vysokou spolehlivost, jako je lékařské vybavení, kde je přesné zpracování dat skvělé.
Vyžaduje se porozumění interakci kontrolních signálů RD a WR pro řešení problémů a optimalizace výkonu systému.Například v digitálních kontrolních systémech používaných ve výrobě, zajištění správného načasování a aktivace těchto signálů může zvýšit přesnost a spolehlivost výrobních procesů.
Je zřejmé, že adeptnost mikroprocesoru 8255 při řízení přenosu dat a periferní komunikace zdůrazňuje jeho význam ve složitých počítačových systémech.Nuances manipulace s adresními liniemi a kontrolními signály ukazuje vynalézavost, technologii jízdy vpřed.Mikroprocesor 8255 je svědectvím o složitosti zapojených do digitální komunikace a kontroly.Jeho bezproblémové integrační schopnosti nadále umožňují průkopnický vývoj v různých oborech, od průmyslové automatizace po technologii zdravotní péče.

Nejprve jsou porty 8255 nastaveny na vstupní režim.Tato výchozí konfigurace vyžaduje pečlivé nastavení v softwaru, aby odpovídala požadované funkci.Rekonfigurujte vhodně pro zajištění hladké a spolehlivé výměny dat ve vašem nastavení.
Výstupní kolíky na mikroprocesoru 8255 nejsou navrženy k napájení externích zařízení přímo kvůli jejich omezené kapacitě.Zavedení externích zesilovačů nebo tranzistorů se stává praktickým hlediskem, jak splnit vyšší současné požadavky.To je často pozorováno ve scénářích, kde je zesílení síly signálu skvělé pro udržení provozních standardů.
Při propojení s vysokým proudem nebo napěťovým zařízením je zapotřebí využití správného zesílení nebo mechanismů přepínání.Nasazení tranzistorů pro přepínání dokáže zvládnout větší proudy bez přetížení 8255. Tento přístup odráží praktické aplikace, kde efektivně usnadňují správu zdrojů, čímž chrání mikroprocesor před potenciálním poškozením.
Rozhraní s zařízeními poháněnými AC vyžaduje zaměstnávání relé.Relé působí jako mediátoři a zajišťují, aby byla spotřeba energie bezpečně spravována a je udržována izolace.Tato metoda je důležitá napříč mnoha aplikacemi a poskytuje jak elektrickou izolaci, tak zabezpečené propojení mezi střídavými obvody a digitálními obvody s nízkým výkonem.
Chování portů C mění operace v režimu 1 nebo režimu 2.V rámci těchto režimů nemůže fungovat jako standardní port I/O.Toto omezení zdůrazňuje nutnost důkladného plánování při navrhování systémů, které vyžadují rozmanité funkce portů.Přiměřené zvážení provozních režimů v rámci architektury systému pomáhá vyhnout se nepředvídaným omezením.Řešením těchto úvah může být propojení s mikroprocesorem 8255 jemně vyladěno tak, aby vyhovovalo různým aplikacím, což zajišťuje robustní a spolehlivý výkon systému.
Mikroprocesor 8255 se slaví za nesčetné výhody a upevňuje svou roli jako vyhledávanou složku napříč různými technologickými krajiny.
Mikroprocesor 8255 vyniká ve své kompatibilitě s rozsáhlou řadou procesorů a uvolňuje jeho začlenění do mnoha systémů, aniž by bylo nutné rozsáhlé úpravy.Toto bezproblémové spojení s různými mikročipy zefektivňuje fázi návrhu a často snižuje časové osy vývoje.
Mikroprocesor 8255, který předvádí působivou všestrannost, je přizpůsobitelný množství funkcí v technologických ekosystémech.Je konfigurovatelný ve více provozních režimech, což umožňuje zpracovat úkoly od sběru dat po řízení správy systému.Taková flexibilita vidí svou integraci do řady zařízení, jednoduchých pomůcek a složité průmyslové stroje.
Konstrukce mikroprocesoru 8255 upřednostňuje optimální využití energie, což z něj činí perfektní vhodnost pro aplikace, jako je ochrana energie.Zařízení využívající tento mikroprocesor využívají prodlouženého provozního života a zvýšenou spolehlivost, atributy v elektronice i průmyslovém prostředí.
Široké přijetí mikroprocesoru 8255 zdůrazňuje jeho konzistentní výkon a spolehlivost.Slouží jako důvěryhodná součást ve vzdělávacím prostředí pro výuku, výzkumné laboratoře pro experimentální práci a komerční produkty pro výrobní systémy.Toto rozsáhlé využití podtrhuje jeho trvanlivost a efektivní funkčnost, časově testované napříč různými aplikacemi.
Schopnost usnadnit paralelní přenos dat vyniká jako cenný rys mikroprocesoru 8255.Tato schopnost je výhodná v systémech, které vyžadují rychlou komunikaci mezi mikroprocesorem a periferiemi.Efektivní správa současných datových toků 8255 zvyšuje rychlost a výkon komplexních nastavení.
Mikroprocesor 8255 se ukazuje jako cenné v zabudovaných systémech a automatizaci.Jiní využívají svou přímou integraci a konfigurovatelnou povahu pro zdokonalení vývojových procesů.Například ve výrobním prostředích 8255 synchronizuje operace senzorů a ovladačů a zajišťuje přesnost i účinnost.Kompatibilita, flexibilita mikroprocesoru 8255, flexibilita, energetickou účinnost, rozšířené využití a schopnost zvládnout paralelní přenos dat zvyšuje svou postavu v mikroelektronice.Uchopení jeho praktických aplikací nabízí hlubší uznání svého příspěvku k technologickému vývoji.
Mikroprocesor 8255, dlouhodobá, ale stále relevantní složka, najde své místo v nesčetných specializovaných aplikacích a obohacuje historické i moderní technologické krajiny.Tato všestrannost je založena na své obratnosti při interakci s množstvím zařízení a systémů.
Pokud jde o kontrolní aplikace LED, 8255 vyniká při správě komplexních osvětlovacích sekvencí.Tato schopnost je vysoce ceněna v systémech displeje a indikátorů, kde je důležitá přesná kontrola nad vícenásobná pole.Využití konfigurací portů, mnoho sofistikovaných indoorů a venkovních značek, které nejen slouží funkčním účelům, ale také zaujme jeho vizuální lákání.
V relé ovládání 8255 ukazuje svou zdatnost v automatizačních a kontrolních systémech.Zajišťuje přesnou a spolehlivou operaci strojů, funkci váženou v průmyslovém prostředí.Zde 8255 hraje roli při usnadňování aktivace, udržování operační integrity a zajištění hladkých přechodů pracovního postupu.
Použití 8255 pro kontrolu krokového motoru znamená řízení pulzní sekvence, která se používá pro dosažení přesného umístění motoru.Tato přesnost najde své fáze ve strojích CNC, robotických systémech a různých automatizačních řešeních.Workshopy a výrobní jednotky získají z této technologie podstatné výhody, což nakonec zvyšuje produktivitu a zvyšuje přesnost.
8255 zjednodušuje zpracování vstupního signálu v aplikacích pro propojení klávesnice a podporuje spolehlivé systémy zadávání dat.Tento obslužný program překlenuje historická výpočetní prostředí i moderní návrhy zabudovaných systémů.Schopnost procesoru se přizpůsobit a zůstat relevantní v různých dobách ukazuje jeho trvalou přitažlivost a funkčnost.
Nasazení 8255 v systémech řízení dopravních signálů zvyšuje správu městské infrastruktury.Implementace odhalují, jak pečlivě naprogramované sekvence časování optimalizují tok provozu a bezpečnost.Procesor tedy ovlivňuje každodenní veřejné systémy a zajišťuje hladší a bezpečnější dojíždění.
Při správě systémů výtahu ukazuje programovatelná příroda 8255 přesný provoz mechaniky výtahu.Tato aplikace je jádrem technologií pro správu budov, kde spolehlivé mikroprocesorové systémy zajišťují bezpečné a efektivní vertikální přepravu.
Flexibilní I/O porty 8255 jsou bonusem v současných mikrokontrolérových systémech, což zlepšuje manipulaci s periferními.Praktická integrace zjednodušuje expanzi systému a umožňuje vlastní periferní kontrolu, což z něj činí řešení pro vývoj technologických aplikací na míru v různých odvětvích.Její přizpůsobivost usnadňuje bezproblémový proces tvorby pro inovativní řešení.
8255 také překlenuje propast mezi vintage domácími počítači a moderními periferiemi.Mnoho z nich si tuto schopnost váží, jak zachovává a revitalizuje starší systémy.Umožněním interakce se současnými zařízeními 8255 zdůrazňuje její přizpůsobivost a pokračující relevanci v rychle se vyvíjející technologické krajině.
Mikroprocesor 8255 je svědectvím o robustnosti a všestrannosti a upevňuje své místo v historickém i současném prostředí.Široké spektrum aplikací znovu potvrzuje svou trvalou užitečnost a význam v neustále se měnícím technologickém světě.
8255 rozhraní s hlavním procesorem prostřednictvím adresové sběrnice a datové sběrnice.Toto rozhraní usnadňuje přenos obousměrného přenosu dat a umožňuje efektivní komunikaci a kontrolu v systémech založených na mikroprocesoru.V praktických aplikacích jiní často mapují porty 8255 na konkrétní rozsahy adres, aby zajistili bezproblémovou výměnu dat, což optimalizuje celkový výkon systému.
8255 má tři odlišné režimy provozu:
Režim 0 (Basic I/O): Umožňuje přímý vstup a výstup dat, takže je v ideálním případě vhodné pro jednoduché úkoly.
Režim 1 (kontrolované I/O): Zahrnuje handshaking pro více kontrolovaných procesů přenosu dat, což zvyšuje spolehlivost.
Režim 2 (duální směrová sběrnice): Podporuje obousměrné datové toky, vhodné pro komplexní potřeby komunikace.
Moderní systémy často napodobují tyto režimy pomocí aktualizovaného hardwaru pro zpětnou kompatibilitu a zajišťují, aby stávající pracovní postupy a aplikace nadále fungovaly hladce.
8255 zpracovává přerušení jejich spuštění za konkrétních podmínek a prováděním předdefinovaných rutin přerušení servisního rutiny.Tento mechanismus upřednostňuje okamžitou pozornost na úkoly s vysokou prioritou, což umožňuje rychlé reakce na jakékoli události.Praktický příklad zahrnuje monitorování vstupního portu pro externí změnu signálu a spuštění přerušení pro jeho okamžitou zpracování.Někteří používají přerušovací vektory k definování služebních rutin a zajištění přesných a včasných odpovědí na takové přerušení.
Během 80. let 20. století bylo 8255 široce používáno k poskytování paralelních schopností I/O při získávání dat, řízení procesů a průmyslové automatizaci.Tyto aplikace těží ze schopnosti čipu zpracovávat více I/O operací současně.Například 8255 byl zaměstnán v časných počítačově řízených výrobních systémech pro efektivní propojení senzorů a ovladačů.Jeho všestrannost a spolehlivost z něj učinila jádro v automatizaci různých průmyslových odvětví a podporovala řadu úkolů od jednoduchého sběru dat po komplexní kontrolní procesy.
8255 spravuje signály handshake prostřednictvím vestavěných funkcí, které regulují tok dat mezi hlavním procesorem a 8255. To zahrnuje uznání příjmu dat a zajištění správného sekvenování komunikace, což vede ke zlepšení synchronizace mezi systémovými komponenty.V praxi handshaking zajišťuje, že data senzoru jsou přečtena přesně před provedením dalšího kroku procesu, zabezpečení přesnosti a účinnosti systému.
Mikroprocesor 8255, ačkoli je do značné míry nahrazen pokročilými čipy periferního rozhraní, jako jsou mikrokontroléry a obecné I/O čipy, se stále občas používá ve starých systémech, kde jsou potřebné paralelní I/O schopnosti.Tyto systémy si udržují svou funkčnost v důsledku robustního a dobře srozumitelného designu 8255. Například několik starších průmyslových strojů se nadále spoléhá na 8255 pro spolehlivé a přímé řízení I/O.Porozumění charakteristikám 8255 umožňuje efektivní údržbu a příležitostnou integraci do stávajících nastavení vyžadujících paralelní zpracování dat.Tato trvalá přítomnost hovoří o důvěryhodném výkonu čipu i tváří v tvář moderním alternativám.
Zašlete prosím dotaz, budeme odpovědět okamžitě.
na 2024/10/8
na 2024/10/7
na 8000/04/18 147757
na 2000/04/18 111934
na 1600/04/18 111349
na 0400/04/18 83719
na 1970/01/1 79508
na 1970/01/1 66898
na 1970/01/1 63010
na 1970/01/1 63008
na 1970/01/1 54081
na 1970/01/1 52120