
The BF245 je primárně využíván pro amplifikaci signálů v pásech VHF, UHF a zvukové frekvence.S vysokým ziskem a atributy s nízkým šumem adepticky zesiluje malé signály a zároveň minimalizuje rušení šumu.
Série, včetně BF245, BF245A, BF245B a BF245C, vykazují odlišné elektrické vlastnosti, většinou v napětí a napětí v bráně a napěťovém proudu napětí nulové brány.Tyto rozdíly se starají o konkrétní aplikace a nabízejí všestrannost při optimalizaci návrhů obvodů pro rozmanité potřeby zesílení signálu.Účinnost v pásech VHF a UHF je pozoruhodná kvůli jejich schopnosti řídit a zesilovat slabší signály, zvyšování čistoty a síly signálu, základní pro vysílání a komunikační systémy.
V zvukových frekvenčních aplikacích vyniká BF245 zachováním integrity signálu a minimalizací zkreslení, které se používá ve vysoce věrných zvukových zařízeních.Jeho schopnost odfiltrovat šum zajišťuje čistší zvukový výstup.Ve srovnání s podobnými tranzistory je rovnováha BF245 mezi vysokým ziskem a nízkým šumem oblíbenou volbou.Tuto složku můžete často upřednostňovat pro její robustnost a spolehlivost v náročném prostředí.

|
KOLÍK |
SYMBOL |
POPIS |
|
1 |
G |
Brána |
|
2 |
s |
Zdroj |
|
3 |
d |
Vypouštět |



|
Funkce |
Specifikace |
|
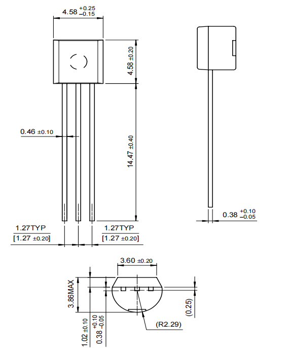
Typ balíčku |
To-92 |
|
Typ tranzistoru |
N kanál jfet |
|
Napětí vypouštěcího zdroje |
30V (maximum) |
|
Napětí vypouštěcí brány |
30V (maximum) |
|
Napětí reverzní brány |
–30V (maximum) |
|
Kontinuální proud |
25 mA (maximum) |
|
Vrátové zdroje napětí |
-0,5V až –0V |
|
Rozptyl energie |
300MW (maximum) |
|
Skladovací a provozní teplota |
-55 ° C až +150 ° C. |
|
Úroveň hluku a zisk |
Nízký hluk a vysoký zisk |
|
Provozní frekvence |
Až 700 MHz |
|
Vypouštěcí a zdrojová zaměnitelnost |
Ano |
Zde je tabulka technické specifikace pro polovodič ON BF245B Jfet.
|
Typ |
Parametr |
|
Stav životního cyklu |
Zastaralý |
|
Poslední zásilky |
Poslední aktualizace: před 1 týdnem |
|
Mount |
Skrz díru |
|
Balíček / pouzdro |
To-226-3, TO-92-3 (TO-226AA) |
|
Počet kolíků |
3 |
|
Hmotnost |
200 mg |
|
Rozkladové napětí / V |
-30 V. |
|
Počet prvků |
1 |
|
Obal |
Hromad |
|
Publikováno |
2009 |
|
JESD-609 kód |
E0 |
|
Kód PBFree |
Žádný |
|
Stav dílu |
Zastaralý |
|
Úroveň citlivosti na vlhkost (MSL) |
1 (neomezený) |
|
Počet zakončení |
3 |
|
ECCN kód |
Ear99 |
|
Terminál povrch |
Cín/olovo (SN/PB) |
|
Maximální provozní teplota |
150 ° C. |
|
Min provozní teplota |
-55 ° C. |
|
HTS kód |
8541.21.00.75 |
|
Napětí - jmenovité DC |
30 v |
|
Aktuální hodnocení (AMPS) |
100 Ma |
|
Maximální rozptyl energie |
350 MW |
|
Poloha terminálu |
Dno |
|
Vrcholová reflow teplota (° C) |
240 |
|
Dosáhnout kódu dodržování předpisů |
Není vyhovující |
|
Aktuální hodnocení |
10 Ma |
|
Time@Peak Refrow Temp-Max (S) |
30 |
|
Číslo základní dílu |
BF245 |
|
Počet špendlíků |
3 |
|
Kvalifikační stav |
Není kvalifikovaný |
|
Konfigurace prvku |
Singl |
|
Provozní režim |
Režim vyčerpání |
|
Rozptyl energie |
350 MW |
|
Transistorová aplikace |
Zesilovač |
|
Vypusťte zdrojové napětí (VDSS) |
15 v |
|
Typ tranzistoru |
N-Channel JFET |
|
Kontinuální odtokový proud (ID) |
15 Ma |
|
Brána k zdrojovému napětí (VGS) |
-30 V. |
|
Vypusťte proud max (ABS) (id) |
0,1 a |
|
Vypusťte napětí rozkladu zdroje |
30 v |
|
Technologie FET |
Spojení |
|
Nejvyšší frekvenční pásmo |
Ultra vysoká frekvence B |
|
Výška |
4,58 mm |
|
Délka |
4,58 mm |
|
Šířka |
3,86 mm |
|
Stav ROHS |
Nesrovnané |
|
Olovo zdarma |
Olovo zdarma
|
• • BF245C
• • 2N5457
• • 2SK117
• • MPF102
• • 2N5458
• • BF244A
• • BF256A
• • J113
• • 2N3819
• • 2N4416
• • 2N5638
• • 2SK162
BF245 najde rozsáhlé použití při amplifikaci signálů VHF (velmi vysoká frekvence) a UHF (ultra vysoká frekvence).Tyto frekvence hrají roli v rádiové komunikaci, televizním vysílání a bezdrátových zařízeních, což vyžaduje podrobné zesílení pro udržení čistoty signálu.Můžete prozkoumat sofistikované konfigurace, abyste zvýšili výkon a uvažovali o výzvách, jako je zkreslení signálu a řízení šumu.Toto pronásledování se často vyrovnává s emocionálním uspokojením dosažení technické dokonalosti.
Tento tranzistor hraje roli při tvorbě RF oscilátorů, které vytvářejí stabilní a přesné frekvenční signály.Jeho funkce s nízkým šumem obohacuje kvalitu výstupních signálů, faktor vážený v telekomunikačních a vysílacích kruzích.Můžete investovat emocionální a intelektuální úsilí, abyste minimalizovali harmonické zkreslení při zachování stability frekvence a čerpat poznatky z praktických zkušeností a upravit parametry obvodu.
V doméně zvukového zesílení poskytuje BF245 spolehlivou podporu pro signály s nízkým výkonem.Jeho role v zvukových obvodech zajišťuje minimální zkreslení, takže je vhodná pro vysoce věrné zvukové systémy.Umění vyvážení spotřeby energie s výkonem se stává přesným úkolem, můžete si vychutnat rafinaci pro zlepšení poslechového zážitku, informovaného praktickým odborností při správném zkreslení tranzistoru.
Pro zpracování signálu nízké úrovně, často pozorované v analytických a měřicích přístrojích, BF245 prokazuje jeho hodnotu.Manipulace s slabými signály adeptily zajišťuje integritu dat.Práce s tímto tranzistorem v oborech, jako je monitorování životního prostředí a biomedicínské inženýrství, se stává zkoumáním přizpůsobení obvodů tak, aby vyhovovaly přesným potřebám měření a těší se intelektuálním zapojení.
BF245 zvyšuje obvody senzorů zesílením slabých signálů z různých senzorů.Ať už v teplotě, tlaku nebo snímání vlhkosti, tento tranzistor poskytuje stabilní zesílení, což usnadňuje přesnou interpretaci senzorových dat.Můžete se snažit upřesnit senzorové obvody, zaměřit se na minimalizaci doby odezvy a zvyšování citlivosti, a to vše při přiznání konzistentního výkonu BF245 v různých podmínkách.

Na polovodiči slouží polovodičovému sektoru s různorodou řadou produktů.Společnost se specializuje na správu energetických a signálů, logické komponenty a diskrétní a přizpůsobená zařízení, jako je automobilový průmysl, komunikace, výpočetní technika, spotřebitel, průmyslové, LED osvětlení, lékařské, vojenské/letecké aplikace a energetické aplikace.Na Semiconductor provozuje rozsáhlou síť v Severní Americe, Evropě a Asii Pacifiku.Společnost má sídlo v pulzujícím městě Phoenix v Arizoně, centru, které podporuje jeho inovativní duch.
Zašlete prosím dotaz, budeme odpovědět okamžitě.
na 2024/10/29
na 2024/10/29
na 8000/04/18 147757
na 2000/04/18 111934
na 1600/04/18 111349
na 0400/04/18 83719
na 1970/01/1 79508
na 1970/01/1 66899
na 1970/01/1 63010
na 1970/01/1 63008
na 1970/01/1 54081
na 1970/01/1 52120