
EPF10K30AFC484-1 je pole programovatelné hradlové pole používané k implementaci konfigurovatelné digitální logiky ve vestavěných elektronických systémech.Zařízení obsahuje programovatelné logické prvky, bloky vnitřní paměti a směrovací prostředky, které umožňují vytvářet vlastní digitální funkce v rámci jediné komponenty.Jeho vnitřní struktura podporuje řídicí logiku, manipulaci s daty a správu rozhraní napříč širokou škálou elektronických zařízení.Zařízení pracuje v rozsahu napájení 4,75 V až 5,25 V a poskytuje až 246 programovatelných vstupů a výstupů.Balíček používá formát BGA s jemnou roztečí 484 kuliček vhodný pro povrchově montované desky plošných spojů v kompaktních systémových designech.
Při pohledu na EPF10K30AFC484-1?Kontaktujte nás pro kontrolu aktuálních zásob, dodací lhůty a ceny.

Uspořádání balení ukazuje, jak zařízení řady FLEX 10K sdílejí konzistentní strukturu kulové mřížky napříč různými velikostmi balení.Půdorys desky s plošnými spoji navržený pro 484kolíkové pouzdro FineLine BGA podporuje zařízení s různým počtem I/O tím, že udržuje stejné vnější polohy kuliček.Diagram porovnává 256pinové zařízení FineLine BGA a 484pinové zařízení FineLine BGA, kde menší pouzdro využívá snížený počet aktivních připojení při zachování zarovnání se stejným rozložením desky.Toto uspořádání umožňuje deskám plošných spojů navržených pro větší pouzdro přizpůsobit menším verzím zařízení, když je vyžadováno méně vstupních nebo výstupních signálů nebo logických zdrojů.
Zařízení integruje programovatelnou logickou strukturu, která umožňuje konfiguraci digitálních obvodů po instalaci.Návrháři mohou implementovat řídicí logiku, směrování signálu a funkce zpracování uvnitř čipu definováním spojení mezi vnitřními logickými prvky.
Celkem 1728 logických prvků je uspořádáno do více bloků logického pole, které tvoří vnitřní strukturu zpracování.Každý logický prvek může provádět aritmetické, kombinační logické nebo paměťové operace, což umožňuje zařízení podporovat širokou škálu návrhů digitálních obvodů.
Zařízení obsahuje 12288 bitů vnitřní paměti uspořádané do vyhrazených bloků pole.Tyto bloky poskytují úložiště dat na čipu, které lze nakonfigurovat pro dočasné ukládání do vyrovnávací paměti, vyhledávací tabulky nebo funkce malé paměti používané digitálními systémy.
Až 246 programovatelných vstupních a výstupních připojení umožňuje zařízení komunikovat s externími komponenty.Tato připojení podporují obousměrné signálové cesty a lze je nakonfigurovat pro různé požadavky na digitální rozhraní.
Signály se pohybují zařízením pomocí směrovací struktury tvořené propojovacími cestami řádků a sloupců.Tato interní síť distribuuje data mezi logické bloky, paměťové oblasti a vstupní výstupní piny v programovatelném poli.
Zařízení pracuje od 4,75 V do 5,25 V napájecího rozsahu, který je v souladu s mnoha digitálními elektronickými systémy.Tento rozsah napětí podporuje spolehlivé chování signálu během nepřetržitého provozu systému.
Zařízení je navrženo pro komerční teplotní prostředí a funguje v teplotním rozsahu 0 °C až 70 °C.Toto ovládací okno podporuje vnitřní elektronická zařízení a prostředí řízeného systému.
Součástka je umístěna v pouzdru BGA s jemnou roztečí 484 kuliček o rozměrech přibližně 23 x 23 milimetrů.Tento formát podporuje husté rozložení obvodů při zachování stabilních elektrických spojení na vícevrstvých deskách s plošnými spoji.
| Atribut produktu | Hodnota atributu |
| Výrobce | Altera (Intel) |
| Napětí - Napájení | 4,75V ~ 5,25V |
| Celkový počet bitů RAM | 12288 |
| Dodavatelský balíček zařízení | 484-FBGA (23x23) |
| série | FLEX-10KA® |
| Balíček / pouzdro | 484-BBGA |
| Balíček | Hromadně |
| Provozní teplota | 0 °C ~ 70 °C (TA) |
| Počet logických prvků/buněk | 1728 |
| Počet LAB/CLB | 216 |
| Počet I/O | 246 |
| Počet bran | 69 000 |
| Typ montáže | Povrchová montáž |
| Stav RoHS | Nesplňuje RoHS |
| Úroveň citlivosti na vlhkost (MSL) | 3 (168 hodin) |
| Status REACH | REACH nedotčeno |
| ECCN | 3A991D |
| HTSUS | 8542,39,0001 |

Vnitřní uspořádání uspořádává programovatelnou logiku přes mřížku bloků logického pole, které obsahují více logických prvků používaných k sestavení digitálních obvodů.Vestavěné bloky pole se objevují v poli a poskytují vyhrazené paměťové zdroje, které ukládají data během provozu zařízení.Horizontální a vertikální směrovací kanály označené jako řádkové a sloupcové propojení tvoří vnitřní signální síť, která spojuje logické bloky a paměťové oblasti.Vstupní a výstupní prvky jsou umístěny kolem vnějších okrajů zařízení a vytvářejí elektrické rozhraní mezi vnitřní logikou a vnějšími kolíky.Místní propojovací cesty uvnitř každého bloku logického pole umožňují blízkým logickým prvkům rychlou výměnu signálů, zatímco větší struktura směrování distribuuje signály přes celé programovatelné pole.

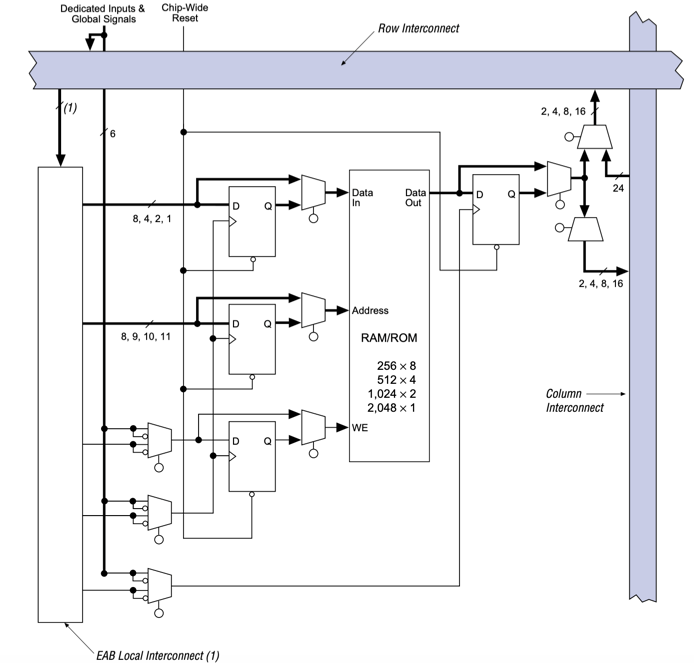
Struktura paměti uvnitř programovatelného pole obsahuje vestavěný blok pole, který poskytuje vyhrazené úložiště v rámci struktury FPGA.Blok podporuje konfigurovatelné velikosti paměti včetně 256 × 8, 512 × 4, 1 024 × 2 a 2 048 × 1, což umožňuje flexibilní uspořádání šířky a hloubky dat v závislosti na designu.Datový vstup, datový výstup, výběr adresy a cesty umožňující zápis spojují paměťovou buňku s okolní logikou prostřednictvím vnitřních registrů a řídicích multiplexerů.Místní propojovací linky směrují signály z blízkých bloků logického pole přímo do paměťového rozhraní, zatímco propojovací kanály řádků a sloupců spojují blok s širší směrovací sítí napříč zařízením.Vyhrazené vstupní cesty a globální řídicí signály řídí časování a synchronizaci, takže k uloženým datům lze přistupovat pomocí programovatelných logických prvků v rámci FPGA.
Zařízení může řídit úlohy digitálního řízení v rámci automatizovaného zařízení.Programovatelná logika umožňuje návrhářům systémů implementovat řízení časování, zpracování senzorů a koordinaci akčních členů v rámci průmyslových strojů a výrobních systémů.
Vestavěné logické prostředky a vnitřní paměť umožňují zařízení podporovat manipulaci se signálem a úkoly filtrování.Může být použit v systémech, které zpracovávají vzorkované datové toky, kde digitální operace musí probíhat v předvídatelných časových intervalech.
Komunikační zařízení často vyžaduje konfigurovatelnou logiku pro správu protokolů a směrování signálů.Zařízení může koordinovat datové cesty mezi komunikačními kanály a digitálními procesorovými jednotkami v rámci síťového zařízení.
Elektronické měřicí systémy shromažďují signály z více senzorů a převádějí je na digitální datové toky.Zařízení může řídit časování signálu, ukládání do vyrovnávací paměti a ovládání rozhraní v systémech používaných pro monitorování a měření.
Zařízení síťového rozhraní používá programovatelnou logiku pro řízení zpracování paketů a vnitřní koordinaci signálů.Zařízení může organizovat datové cesty mezi procesorovými jednotkami a externími komunikačními rozhraními.
Vývojové systémy často používají programovatelná logická zařízení k testování a hodnocení návrhů digitálních obvodů.Zařízení umožňuje inženýrům a vývojářům ověřit chování systému před provedením návrhů pro pevné hardwarové implementace.
• Vysoký počet I/O pinů umožňuje spojení s mnoha externími součástmi ve složitých systémech
• Velké množství logických prvků umožňuje implementaci sofistikovaných digitálních logických obvodů
• Vestavěná paměť RAM podporuje vnitřní ukládání dat do vyrovnávací paměti a operace s pamětí
• Programovatelná architektura umožňuje změny návrhu bez úpravy rozvržení hardwaru
• Pouzdro FBGA pro povrchovou montáž podporuje integraci kompaktních obvodových desek
• Vhodné pro vlastní hardwarovou akceleraci a paralelní logické zpracování
• Vyžaduje specializované vývojové nástroje FPGA a znalosti návrhu hardwaru
• Vyšší spotřeba energie ve srovnání s menšími programovatelnými logickými zařízeními
• Starší rodina FPGA s nižší účinností ve srovnání s moderními architekturami FPGA
• Proces vývoje a ladění může být pro začátečníky složitý
| Číslo dílu | Výrobce | Klíčové vlastnosti | Use Case/Notes |
| EPF10K30AFC484-2 | Intel | Člen rodiny FLEX-10KA FPGA s asi 1 728 logickými prvky a 12 288 bity vestavěné paměti RAM.Poskytuje až 246 I/O pinů a podporuje rozsah napájení 5 V.Zařízení umožňuje konstruktérům implementovat programovatelné digitální logické funkce uvnitř jediného integrovaného obvodu. | Běžně se používá v průmyslových řídicích systémech, telekomunikačním hardwaru a vestavěných počítačových platformách, kde je pro zakázkové digitální zpracování potřeba konfigurovatelná logika. |
| EPF10K30AFC484-3 | Intel | Zařízení FPGA založené na architektuře FLEX-10KA s programovatelnými logickými bloky, vnitřními zdroji RAM a rozhraním s vysokým počtem pinů.Umožňuje návrhářům konfigurovat digitální obvody, aniž by museli vyrábět vlastní ASIC. | Často se používá v komunikačních zařízeních, deskách pro zpracování signálu a prototypových digitálních systémech, kde je během vývoje vyžadována flexibilita hardwaru. |
| EPF10K30AFC484-3 | Altera | Programovatelné logické zařízení s vysokou hustotou ze série FLEX-10KA kombinující konfigurovatelné logické buňky, vestavěné paměťové bloky a flexibilní zdroje směrování.Architektura podporuje komplexní digitální návrhy s velkou kapacitou brány. | Vhodné pro telekomunikační systémy, vestavěný výpočetní hardware a vlastní digitální řídicí desky, kde programovatelná logika nahrazuje pevné hardwarové obvody. |
Altera byla polovodičová společnost známá navrhováním programovatelných logických zařízení používaných v digitálních elektronických systémech.Společnost vyvinula širokou škálu programovatelných hradlových polí a programovatelných logických komponent používaných v komunikaci, výpočetní technice, průmyslovém vybavení a vestavěných platformách.Jeho produkty umožnily návrhářům vytvářet vlastní digitální obvody, které bylo možné po výrobě překonfigurovat.Společnost Altera představila několik rodin programovatelné logiky včetně zařízení MAX, FLEX a Stratix, které se staly široce používány v elektronickém designu.Společnost se později stala součástí společnosti Intel, kde se její technologie programovatelné logiky nadále vyvíjí pro zpracování dat, síťové systémy a vestavěné digitální platformy.
Pochopení EPF10K30AFC484-1 vám pomůže pochopit, jak může programovatelná logika zjednodušit složité digitální systémy.Toto zařízení kombinuje konfigurovatelné logické prvky, vnitřní paměť a flexibilní směrování, takže můžete vytvářet vlastní logické funkce uvnitř jediné komponenty.Také jste viděli, jak jeho struktura balení, architektura zařízení a vestavěné paměťové bloky podporují spolehlivý pohyb dat po obvodu.Jeho aplikace zahrnují průmyslové řízení, zpracování signálů, komunikační zařízení a prototypování systémů.Když si prohlédnete jeho vlastnosti a strukturu návrhu, získáte jasnější představu o tom, jak může toto FPGA podporovat adaptabilní a efektivní vývoj elektronických systémů.
Zašlete prosím dotaz, budeme odpovědět okamžitě.
EPF10K30AFC484-1 je programovatelné hradlové pole, které umožňuje digitální logické obvody, které je třeba nakonfigurovat po instalaci zařízení systém.
Zařízení podporuje až 246 programovatelných vstupů a výstupů připojení, která umožňují komunikaci s externími komponenty v a obvod.
Zařízení pracuje v rozsahu napájecího napětí 4,75 V až 5,25 V, což je v souladu s mnoha digitálními elektronickými systémy.
Zařízení obsahuje vestavěné paměťové bloky, které poskytují 12 288 bitů úložiště pro ukládání dat do vyrovnávací paměti a podporu interních logických operací.
Často se používá v průmyslových řídicích systémech, komunikaci zařízení, hardware pro získávání dat a prototypování digitálního systému platformy.
na 2026/03/13
na 2026/03/13
na 8000/04/18 147757
na 2000/04/18 111937
na 1600/04/18 111349
na 0400/04/18 83721
na 1970/01/1 79508
na 1970/01/1 66913
na 1970/01/1 63053
na 1970/01/1 63012
na 1970/01/1 54081
na 1970/01/1 52130