
Funkce každého střídače v 74LS04 je zvrátit logický stav vstupního signálu a posunout jej z vysokého na nízké nebo nízké na vysokou.Tato operace hraje dynamickou roli v návrhu elektronického obvodu, což ovlivňuje jak analogové, tak digitální aplikace umožněním univerzální manipulace s signálem a efektivním zpracováním dat.
V elektronických systémech, většinou v digitálních obvodech, posílí invertory 74LS04 logické operace.Tyto střídače se používají k konstrukci ne bran, což usnadňuje implementaci složitých logických funkcí.Navíc mohou být nakonfigurovány tak, aby tvořily pokročilé logické brány, jako je NAND, a a tím rozšiřující výpočetní kapacity.V analogových systémech 74LS04 významně přispívá k signalizaci integrity a tvarování šumu.Invertováním signálů tyto komponenty pomáhají při synchronizaci a stimulaci v komunikačních obvodech.Tato interakce snižuje nesrovnalosti načasování a zvyšuje jasnost signálu a zvýší celkový výkon.




|
Funkce |
Specifikace |
|
Rozsah napájení napětí |
+4,75 V až +5,25 V. |
|
Maximální dodané napětí |
+7V |
|
Maximální výstupní proud na bránu |
8ma |
|
TTL výstupy |
Bez olova |
|
Maximální doba nárůstu |
15ns |
|
Maximální doba pádu |
15ns |
|
Provozní teplotní rozsah |
0 ° C až 70 ° C. |

|
Parametr |
SN54S04 |
SN74S04 |
Jednotka |
||||
|
Min nom |
Max |
Min nom |
Max |
||||
|
Napětí napájení VCC |
4.5 |
5 |
5.5 |
4.75 |
5 |
5.25 |
PROTI |
|
Vstup na vysoké úrovni VIH
napětí |
2 |
2 |
PROTI |
||||
|
Vstup na nízké úrovni VIL
napětí |
0,8 |
0,8 |
PROTI |
||||
|
Ioh na vysoké úrovni
výstupní proud |
-1 |
-1 |
Ma |
||||
|
Výstup nízké úrovně IOL
proud |
20 |
20 |
Ma |
||||
|
TA funguje
teplota |
-55 |
125 |
0 |
70 |
° C. |
||
|
Číslo dílu |
Popis |
Výrobce |
|
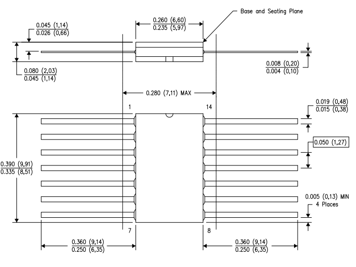
GD54LS04Logic |
Střídač, série LS, 6-func, 1 vstup, TTL, PDIP14 |
Goldstar Electron Co Ltd |
|
SN74LS04NLOGIC |
Střídač, série LS, 6-func, 1 vstup, TTL, PDIP14, 646-06 |
Produkty Motorola Semiconductor |
|
SN74LS04N-00LOGIC |
Série LS, Hex 1-input invertní brána, PDIP14, balíček-14 |
Rochester Electronics LLC |
|
SN74LS04JLOGIC |
Hexové střídače 14-CDIP 0 až 70 |
Texas Instruments |
|
M38510/30003SCALOGIC |
Střídač, série LS, 6-func, 1 vstup, TTL, CDIP14,
Keramika, DIP-14 |
Signetika |
|
74LS04ALOGIC |
IC LS Series, Hex 1-Insut Invertní brána, PDIP14, brána |
Polovodiče NXP |
|
GD74LS04Logic |
Inverter, TTL, PDIP14 |
LG Semicon Co Ltd |
|
GD74LS04JLogic |
Střídač, série LS, 6-func, 1 vstup, TTL, CDIP14 |
Goldstar Electron Co Ltd |
|
HD74LS04plogic |
Střídač, série LS, 6-func, 1 vstup, TTL, PDIP14, DP-14 |
Hitachi Ltd |
|
M38510/30003BCALOGIC |
Střídač, série LS, 6-func, 1 vstup, TTL, CDIP14,
Keramika, DIP-14 |
Produkty Motorola Semiconductor |
Zde jsou informace prezentované ve formátu tabulky pro Raytheon Semiconductor 74ls04n.
|
Typ |
Parametr |
|
JESD-609 kód |
E0 |
|
Terminál povrch |
Cín/olovo (SN/PB) |
|
Vrcholová reflow teplota (° C) |
Není uvedeno |
|
Čas @ vrchol reflow teplota (max) |
Není uvedeno |
|
Stav ROHS |
Nesrovnané |
74LS04, hexní střídač, najde různé aplikace v logických obvodech poskytováním inverze signálu.Používá se k vytvoření složitých logických funkcí a zlepšení toku operací v digitálních obvodech.Na tuto součást se můžete spolehnout na správu úrovní signálu a zajistit přesné načasování a sekvenování, které jsou užitečné v praktických aplikacích.
V návrhu serveru je 74LS04 používán pro kondici a úpravu signálu, manipulaci s digitálními signály, aby bylo zajištěno hladké zpracování dat a sníženou latenci.Tato složka je cenná pro obvody pro správu energie na serverech, zejména v datových centrech s vysokým provozem, kde je upřednostňována spolehlivost a účinnost.
V digitálních nástrojích je 74LS04 cenný pro stabilizaci vstupů a výstupů signálu, což přispívá k přesným a důvěryhodným měřením.Hraje podstatnou roli v zařízeních vyžadujících vysokou přesnost, jako jsou osciloskopy a multimetry, což podporuje jejich konzistentní výkon ve skutečných situacích.
V síťových systémech přispívá 74LS04 ke zlepšení signálu a snížení šumu.Je integrován do protokolů přenosu dat, aby dodržoval integritu a účinnost dat, zejména prospěšné prostředí, kde je maximalizace propustnosti a minimalizace chyb velmi znepokojující.

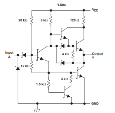
74LS04 obsahuje šest samostatných bran, z nichž každá provádí funkci logického invertu.Výstupní signály jsou přímo proti jejich příslušným vstupním signálům.Střídač obrátí fázi vstupního signálu o 180 stupňů.Tento obvod najde svou aplikaci v různých analogových systémech, včetně zvukových zesilovačů a hodinových oscilátorů.Střídače jsou široce využívány v návrhu elektronického obvodu a formují funkčnost s přesností a přizpůsobivostí.
Zašlete prosím dotaz, budeme odpovědět okamžitě.
na 2024/10/24
na 2024/10/24
na 8000/04/18 147757
na 2000/04/18 111934
na 1600/04/18 111349
na 0400/04/18 83719
na 1970/01/1 79508
na 1970/01/1 66899
na 1970/01/1 63010
na 1970/01/1 63010
na 1970/01/1 54081
na 1970/01/1 52120