
IRLML2502 je navržen se zaměřením na účinnost a spolehlivost.Nabízí ultra nízkou rezistenci, díky čemuž je ideální pro situace, kdy je snížení ztráty energie prioritou.Tento N-kanálový MOSFET se běžně používá v aplikacích, které vyžadují rychlé přepínání a stabilní výkon za různých podmínek.Pokročilá technologie za touto součástí zajišťuje, že díky své malé stopě funguje dobře, dokonce i v kompaktních návrzích.Robustní konstrukce MOSFET umožňuje zvládnout náročná prostředí a poskytovat konzistentní výkon v celé řadě aplikací.
Jeho kompaktní balíček Micro3 ™ je zvláště užitečný pro situace, kdy je prostor těsný.Pokud pracujete na projektu, kde je prostor omezený - jako v přenosné elektronice nebo kartách PCMCIA - může být tento MOSFET ideální.Nízký profil balíčku usnadňuje integraci do štíhlých zařízení a přitom stále udržuje dobré tepelné správy, což pomáhá udržovat zařízení v chladu a v průběhu času.




Tento MOSFET je navržen s velmi nízkou rezistencí, což pomáhá snížit ztrátu energie během provozu.Budete to mít užitečné při práci na projektech, které vyžadují efektivní řízení energie.
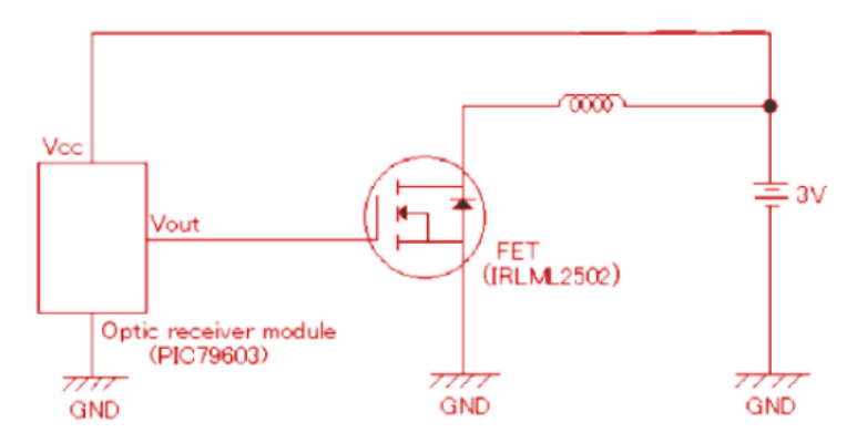
IRLML2502 je N-kanálový MOSFET, což znamená, že ovládá proud použitím pozitivního napětí na bránu.Tento typ MOSFET se široce používá pro přepínání a zesílení v různých obvodech.
Jeho malá stopa SOT-23 usnadňuje integraci do kompaktních návrhů.To je zvláště užitečné, pokud pracujete s aplikacími omezenými na prostory nebo potřebujete lehkou komponentu.
S nízkým profilem méně než 1,1 mm se tento MOSFET dobře hodí do štíhlých zařízení.Tato funkce je ideální pro přenosnou elektroniku a aplikace, kde na každém kousku vesmíru záleží.
IRLML2502 je k dispozici v balení pásky a navijáků, což je vhodné pro automatizované výrobní linky.Tím je zajištěno snadné manipulace a umístění během výroby.
Schopnost rychlého přepínání MOSFET umožňuje rychlé přechody mezi stavy ON a OFF.Tuto funkci zjistí, že při práci na obvodech, které vyžadují vysokorychlostní provoz, najdete cennou.
Využívá strukturu rovinných buněk, která zvyšuje její bezpečné operační oblast (SOA).Tím je zajištěno spolehlivé operace za různých podmínek, což vám pomůže vyhnout se potenciálním poškození nadměrnými proudy nebo napětími.
Tento MOSFET je široce dostupný prostřednictvím distribučních partnerů, což znamená, že nebudete mít potíže s získáváním pro vaše projekty.Je to spolehlivá volba se širokou dostupností.
IRLML2502 byl kvalifikován podle standardů JEDEC, takže můžete důvěřovat jeho spolehlivosti a výkonu pro dlouhodobé použití v různých aplikacích.
Jeho návrh křemíku je optimalizován pro aplikace, které vyžadují přepínání pod 100 kHz.Díky tomu je vynikající volbou pro nižší frekvenční přepínací obvody.
IRLML2502 přichází v průmyslovém standardním balíčku povrchu, který usnadňuje práci ve většině návrhů a zajišťuje kompatibilitu se stávajícími systémy a komponenty.
Technické specifikace, atributy, parametry a srovnatelné části pro INIRLML2502TR Infineon Technologies.
| Typ | Parametr |
| Typ montáže | Povrchová držák |
| Balíček / pouzdro | TO-236-3, SC-59, SOT-23-3 |
| Povrchová držák | Ano |
| Materiál tranzistorového prvku | Křemík |
| Proud - nepřetržitý odtok (ID) @ 25 ℃ | 4.2a ta |
| Počet prvků | 1 |
| Provozní teplota (max.) | 150 ° C. |
| Obal | Řezací páska (CT) |
| Série | HEXFET® |
| Publikováno | 2003 |
| JESD-609 kód | E3 |
| Stav dílu | Ukončené |
| Úroveň citlivosti na vlhkost (MSL) | 1 (neomezený) |
| Počet zakončení | 3 |
| ECCN kód | Ear99 |
| Terminál povrch | Matte Tin (SN) |
| Další funkce | Vysoká spolehlivost |
| Poloha terminálu | DVOJÍ |
| Terminální forma | Gull Wing |
| Vrcholová reflow teplota (° C) | 260 |
| Time @ Peak Refrow Temp (S) | 30 |
| Kód JESD-30 | R-PDSO-G3 |
| Kvalifikační stav | Není kvalifikovaný |
| Konfigurace | Single s vestavěnou diodou |
| Provozní režim | Režim vylepšení |
| Typ FET | N-kanál |
| Transistorová aplikace | Přepínání |
| Rds on (max) @ id, vgs | 45mΩ @ 4.2a, 4,5 V |
| VGS (th) (max) @ id | 1,2V @ 250 μA |
| Vstupní kapacita (CISS) (max) @ VDS | 740pf @ 15V |
| BADE BEATH (QG) (max) @ VGS | 12nc @ 5V |
| Vypusťte zdrojové napětí (VDSS) | 20V |
| Kód JEDEC-95 | TO-236AB |
| Vypusťte proud max (ABS) (id) | 4.2a |
| Vypouštěcí zdroj na odporu | 0,045Ω |
| Pulzní odtokový proud max (IDM) | 33a |
| DS rozdělení napětí-min | 20V |
| Dissipation-MAX napájení (ABS) | 1,25 W |
| Stav ROHS | Nesrovnané |


| Číslo dílu | Popis | Výrobce |
| IRLML2502TR Tranzistory | Tranzistor Effect Effect Effect, 4.2a I (d), 20V, 0,045ohm, 1-element, n-kanál, křemík, polovodičový oxid kovový oxid, micro-3 | Mezinárodní usměrňovač |
| IRLML2502PBF Tranzistory | Tranzistor Effect Effect Effects, 4.2a I (d), 20V, 0,045ohm, 1-element, N-kanál, křemík, polovodičový oxid kovový oxid, to-236ab, halogen a bez olova, micro-3, micro-3 | Mezinárodní usměrňovač |
| IRLML2502 Tranzistory | Tranzistor Effect Effect Effect, 4.2a I (d), 20V, 0,045ohm, 1-element, n-kanál, křemík, polovodičový oxid kovový oxid, micro-3 | Mezinárodní usměrňovač |
| IRLML2502GTRPBF Tranzistory | Tranzistor Effect Effect Effect, 4.2a I (d), 20V, 0,045ohm, 1-element, n-kanál, křemík, polovodičový oxid kovový oxid, to-236ab, bez olova, micro-3, micro-3 | Infineon Technologies Ag |
Pokud pracujete s DC Motors, může být IRLML2502 užitečným doplňkem.Jeho nízká odolnost a rychlá rychlost přepínání je skvělá pro kontrolu rychlosti a účinnosti motoru.Zjistíte, že dokáže zvládnout požadavky motorických aplikací a udržovat výkon hladký a konzistentní.
IRLML2502 je také dobrou volbou, pokud jde o střídače.Díky svým rychlým přepínacím schopnostem pomáhá efektivně převést DC na AC.Všimnete si, že tento MOSFET funguje dobře v nastaveních, kde potřebujete spolehlivý výkon v průběhu času.
U napájecích zdrojů s přepínačem (SMPS) nabízí tento MOSFET nízkou ztrátu energie a vysokou účinnost, kterou možná budete potřebovat.Jeho nízký profil a kompaktní balíček usnadňuje integraci do návrhů SMPS, zejména při jednání s těsnými prostory.
V aplikacích osvětlení může IRLML2502 pomoci ovládat energii do LED nebo jiných světelných zdrojů.Při práci s malými i velkými osvětlovacími systémy najdete jeho účinnost a schopnost zvládnout vyšší proudy.
Nízká schopnost MOSFET na rezistenci a vysoký proud z něj činí silnou volbu pro přepínače zatížení.Ať už ovládáte výkon do různých částí zařízení nebo přepínáte mezi zatížením, tato komponenta zajišťuje hladký provoz.
Pokud navrhujete zařízení napájená z baterií, nabízí IRLML2502 účinnost, kterou potřebujete k prodloužení výdrže baterie.Jeho nízká ztráta energie znamená, že vaše zařízení může běžet déle na jednom náboji, takže je ideální pro přenosnou elektroniku nebo jiné systémy provozované baterií.

Infineon Technologies, dříve známý jako Siemens Semiconductor, přináší ke stolu spoustu zkušeností.Se zaměřením na inovace a přizpůsobivost se Infineon stal předním poskytovatelem mikroelektronických komponent.Jejich široká škála produktů je navržena tak, aby vyhovovala potřebám různých průmyslových odvětví, od spotřební elektroniky po průmyslové aplikace.Tento MOSFET těží ze závazku společnosti Infineon k vysoce kvalitní výrobě a vývoji produktů.Společnost se nadále vyvíjí v neustále se měnícím mikroelektronickém průmyslu a nabízí komponenty, které splňují požadavky moderní technologie.Jejich rozsáhlé portfolio produktů zahrnuje nejen integrované obvody, ale také diskrétní polovodičová zařízení, což zajišťuje, že můžete najít řešení přizpůsobená specifickým požadavkům vašeho projektu
Zašlete prosím dotaz, budeme odpovědět okamžitě.
na 2024/10/24
na 2024/10/24
na 8000/04/18 147760
na 2000/04/18 111979
na 1600/04/18 111351
na 0400/04/18 83743
na 1970/01/1 79531
na 1970/01/1 66944
na 1970/01/1 63086
na 1970/01/1 63026
na 1970/01/1 54092
na 1970/01/1 52167